lemon-mirror:
Home >> Ford >> 1995 >> Windstar V6-232 3.8L >> Repair and Diagnosis >> Diagrams >> Exploded Views >> Automatic Transmission/Transaxle

Automatic Transmission/Transaxle

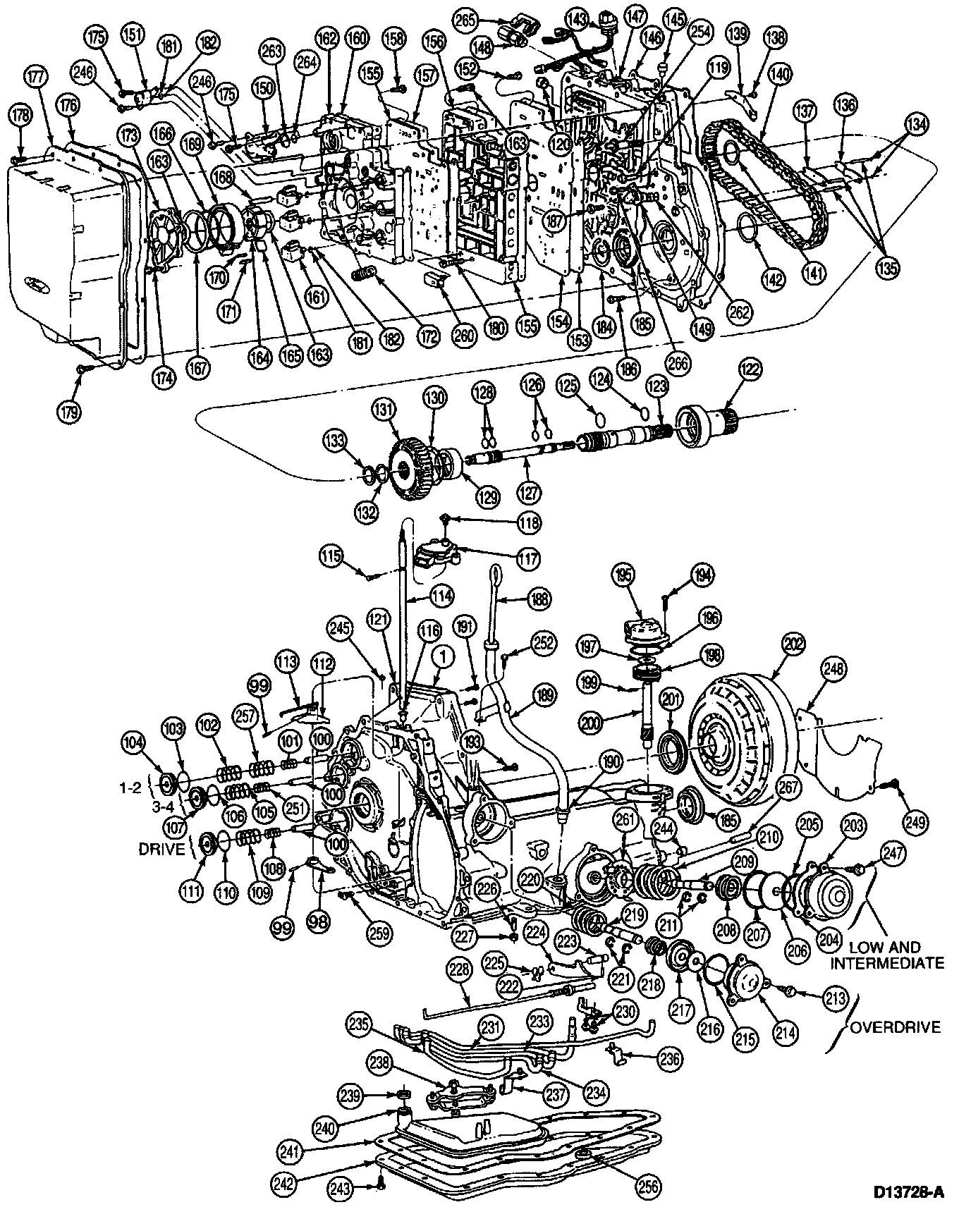
AX4S Transaxle:






AX4S Transaxle:






AX4S Transaxle (Legend):






AX4S Transaxle (Legend):






AX4S Transaxle (Legend):






AX4S Transaxle (Legend):







AX4S Transaxle (Legend):