lemon-mirror:
Home >> Ford >> 1995 >> Thunderbird V6-232 3.8L >> Repair and Diagnosis >> Powertrain Management >> Computers and Control Systems >> Air Flow Meter/Sensor >> Locations

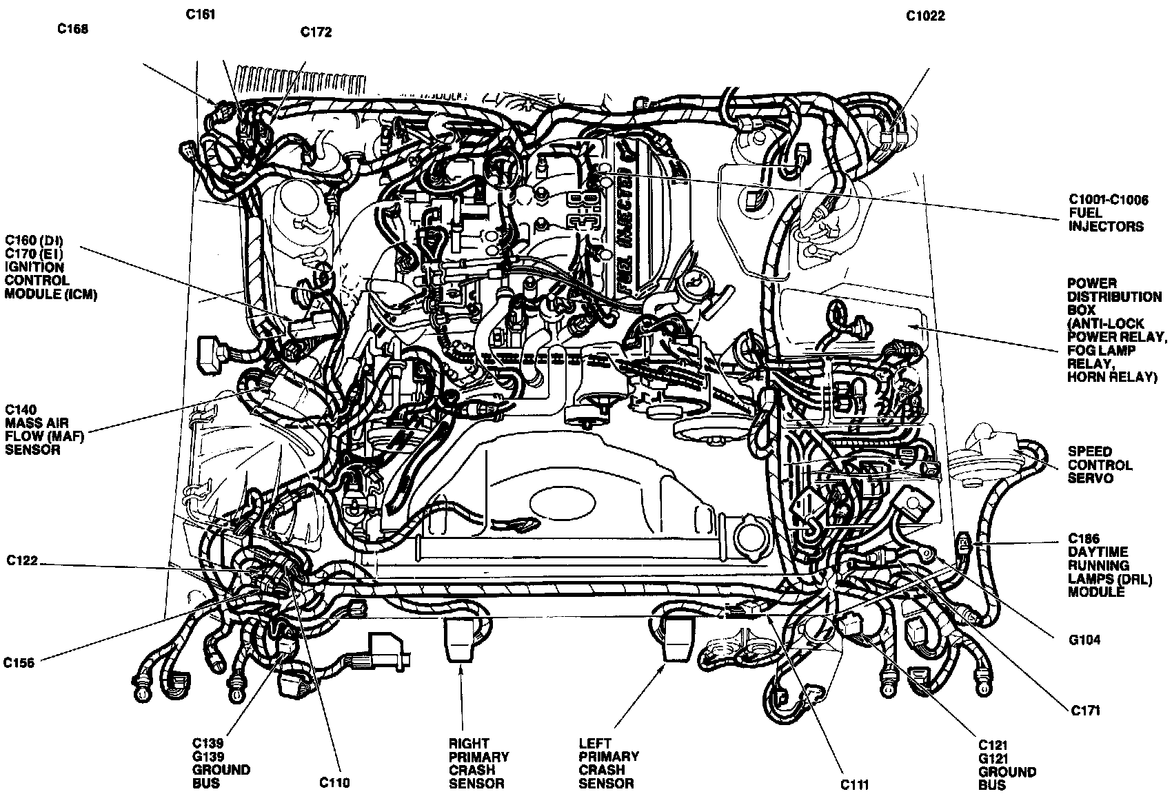
Air Flow Meter/Sensor: Locations

Engine View:





The Mass Air Flow Sensor is located at the RH side of the engine compartment, in air intake assembly.