lemon-mirror:
Home >> Ford >> 1995 >> Taurus V6-232 3.8L >> Repair and Diagnosis >> Specifications >> Mechanical Specifications >> Engine >> System Specifications >> Intake Manifold

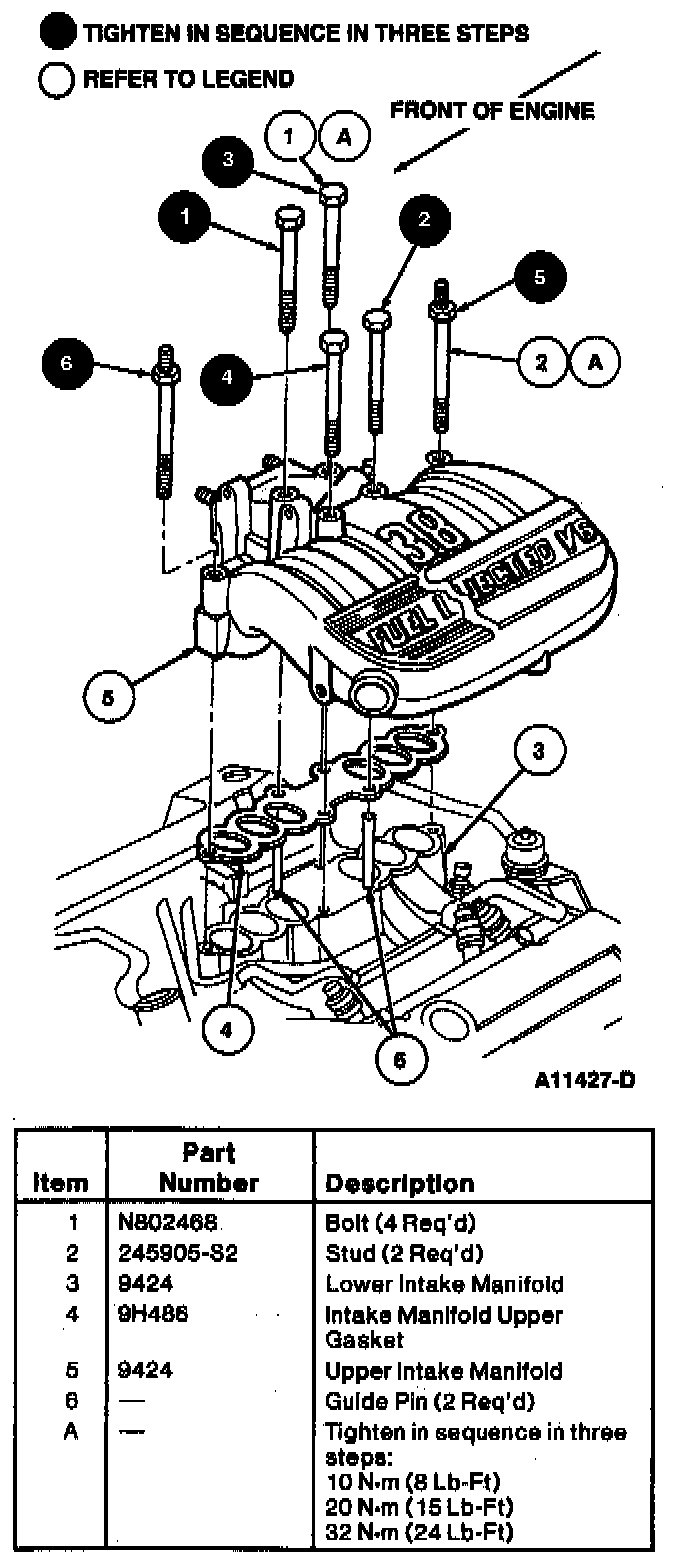
Intake Manifold

Upper Intake Torque & Sequence:





Lower Intake Manifold: