lemon-mirror:
Home >> Ford >> 1995 >> Taurus V6-232 3.8L >> Repair and Diagnosis >> Diagrams >> Exploded Views >> Steering Column >> With Column Shift

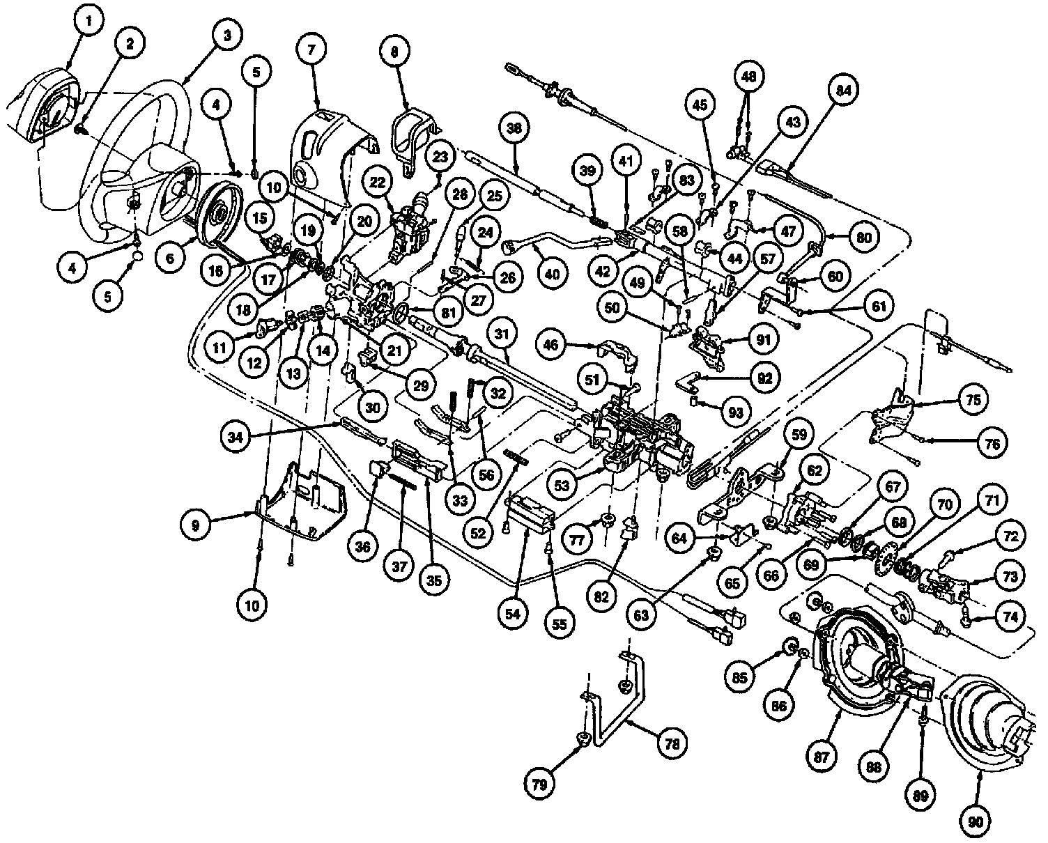
With Column Shift






Steering Column (Part 1 Of 2):




Steering Column (Part 2 Of 2):