lemon-mirror:
Home >> Ford >> 1995 >> Taurus V6-182 3.0L FF >> Repair and Diagnosis >> Diagrams >> Connector Views >> Integrated Control Relay Module

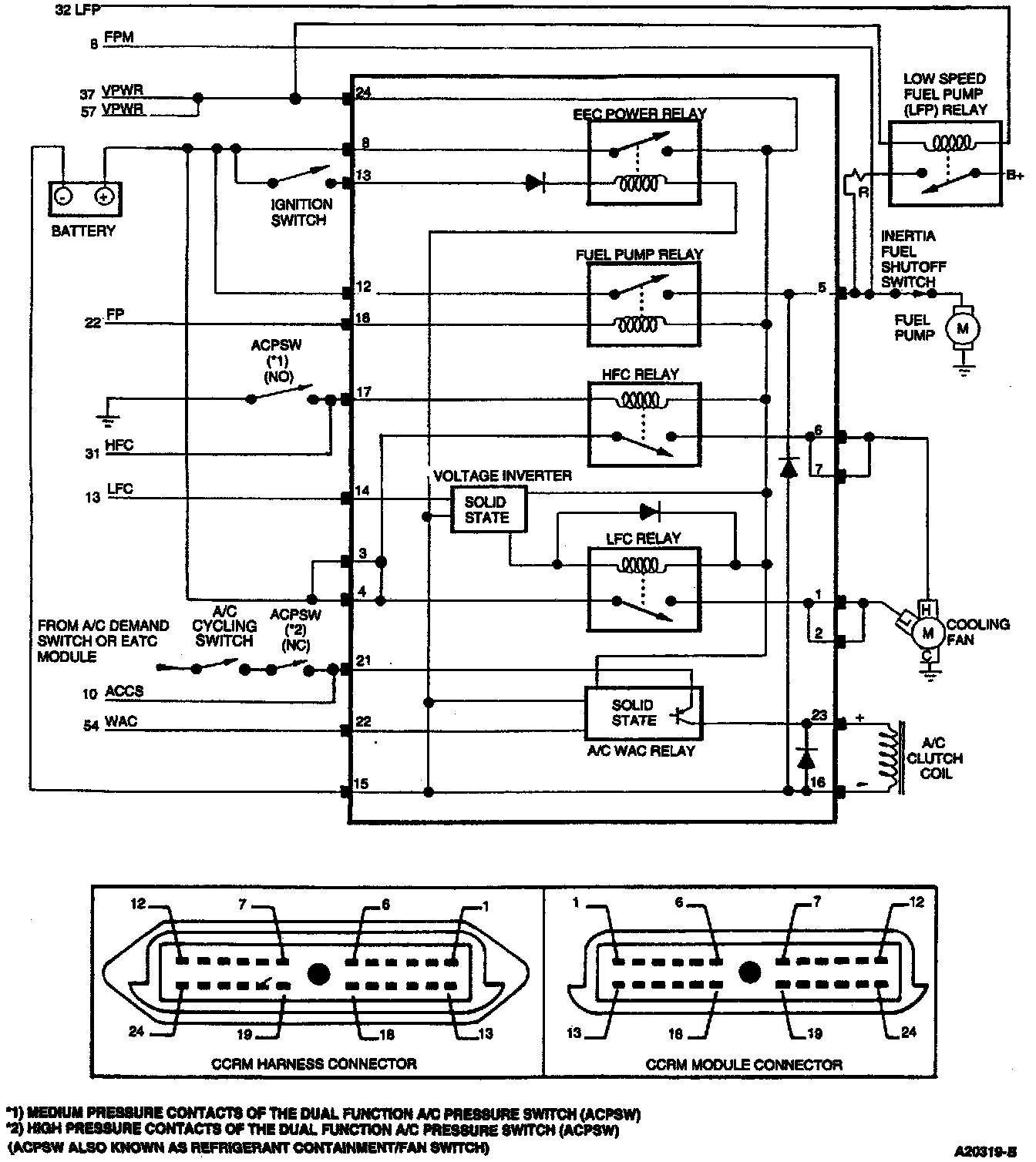
Integrated Control Relay Module

Constant Control Relay Module:



Constant Control Relay Module: