lemon-mirror:
Home >> Ford >> 1995 >> Mustang V6-232 3.8L >> Repair and Diagnosis >> Powertrain Management >> Computers and Control Systems >> Integrated Control Relay Module >> Diagrams >> Electrical Diagrams

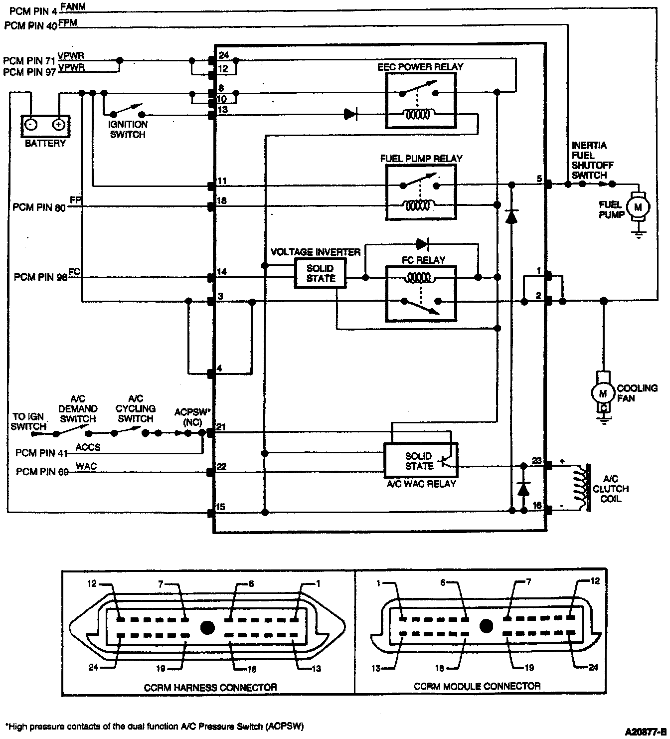
Electrical Diagrams

Constant Control Relay Module:



Constant Control Relay Module: