lemon-mirror:
Home >> Ford >> 1995 >> Explorer 2WD V6-245 4.0L >> Repair and Diagnosis >> Powertrain Management >> Ignition System >> Ignition Cable >> Service and Repair

Ignition Cable: Service and Repair

REMOVAL

Spark Plug Wire Remover:






1. Remove the spark plug wires from the spark plugs, using the Spark Plug Wire Remover T74P-6666-A. Grasp and twist the boot back and forth on the plug insulator to free the boot. Use the special tool to pull the boot from the spark plug.

CAUTION: Do not pull on the spark plug wire set directly, as it may become separated from the connector inside the boot.

Removing Ignition Wires At Coil Pack:






2. Remove the spark plug wire from the ignition coil pack, squeeze the locking tabs of the coil wire retainer and remove using a twisting and pulling motion.

CAUTION: Do not pull on the spark plug wire set.

INSTALLATION

CAUTION: Proper installation of spark plug wire set is critical to vehicle operation. If one distributor to spark plug wire is not properly installed on spark plug or ignition coil, both spark plugs connected to that ignition coil may not fire under load.

1. Whenever a high tension wire is removed for any reason from a spark plug or ignition coil, or a new high tension wire is installed, Silicone Dielectric Compound D7AZ-19A331-A or equivalent meeting Ford specification ESE-MM1C171-A must be applied to the boot prior to installation. Using a small, clean tool, coat the entire interior surface of the boot with the compound.

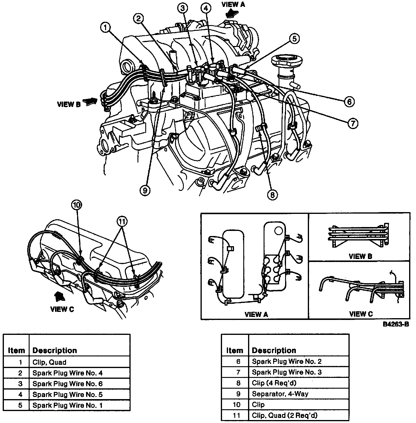
Ignition Wire Routing:






2. Install each spark plug wire on the proper ignition coil. Refer to the Ignition Wire Routing illustration which shows spark plug wire routing. The terminal cylinder numbers are identified on the ignition coil pack. Make sure that the coil wire boots are fully seated and that both coil boot retainer locking tabs have engaged. The firing order is 1-4, 2-5, 3-6.
3. Remove the wire retaining brackets from the old spark plug wire sets and install brackets in same relative position on the new set. Install spark plug wire sets and retaining brackets on the engine.
4. Connect spark plug wires to proper spark plugs.