lemon-mirror:
Home >> Ford >> 1995 >> Explorer 2WD V6-245 4.0L >> Repair and Diagnosis >> Powertrain Management >> Ignition System >> Firing Order >> Specifications

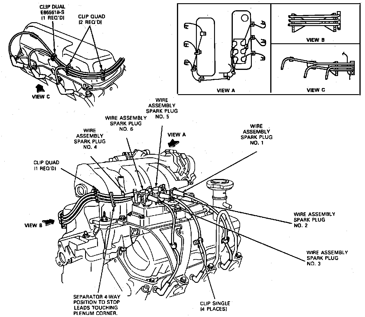
Firing Order: Specifications










Spark Plug Wire Assembly:






Vin X V6 Firing Order: 1 4 2 5 3 6