lemon-mirror:
Home >> Ford >> 1994 >> Tempo V6-182 3.0L >> Repair and Diagnosis >> Powertrain Management >> Computers and Control Systems >> Integrated Control Relay Module >> Diagrams >> Electrical Diagrams

Electrical Diagrams

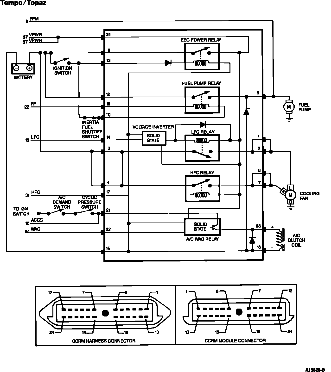
Constant Control Relay Module (CCRM) Schematic: