lemon-mirror:
Home >> Ford >> 1994 >> Taurus V6-232 3.8L >> Repair and Diagnosis >> Diagrams >> Connector Views >> Radiator Cooling Fan Control Module

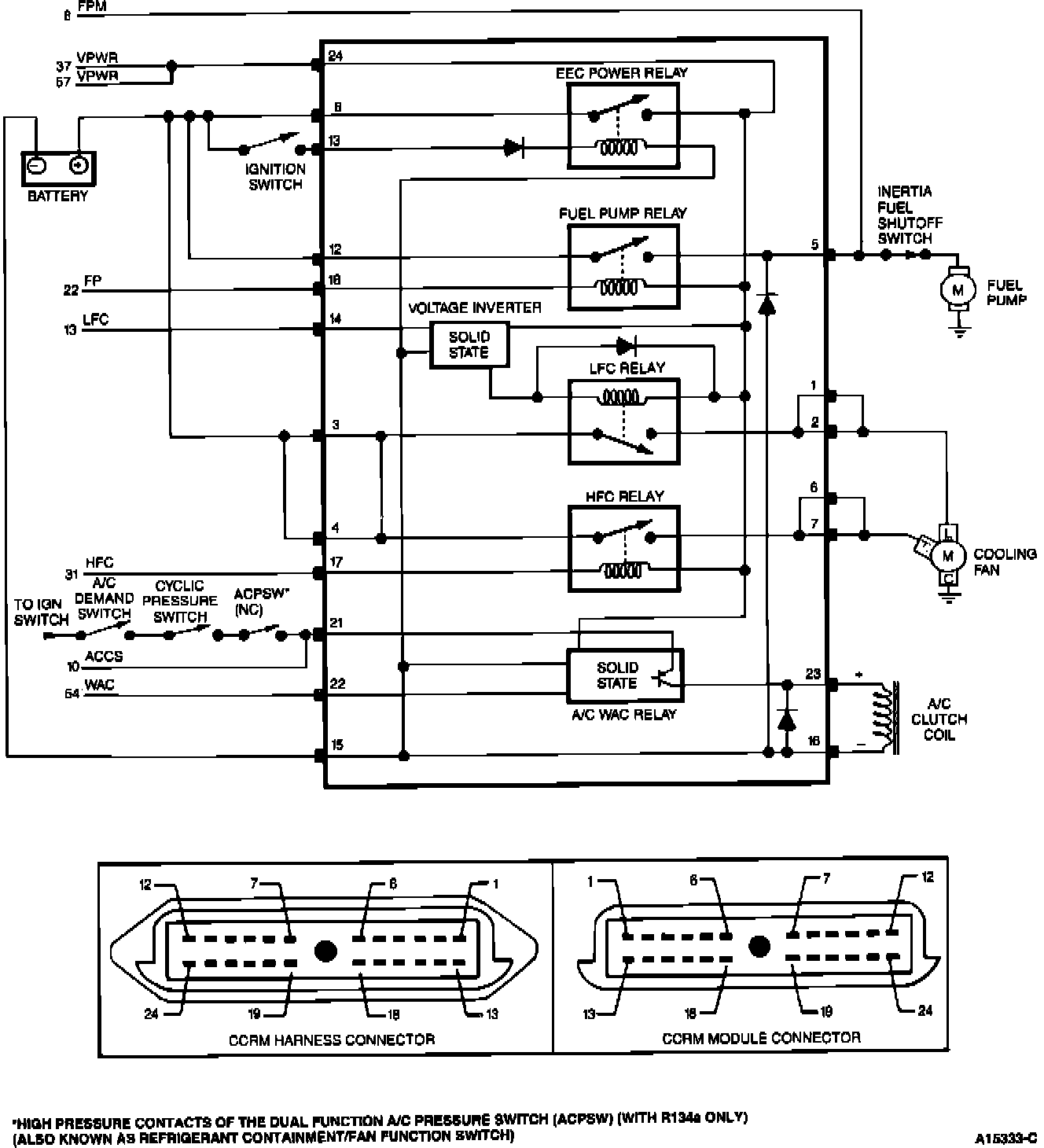
Radiator Cooling Fan Control Module

Constant Control Relay Module (CCRM) Schematic: