lemon-mirror:
Home >> Ford >> 1994 >> Taurus V6-182 3.0L FF >> Repair and Diagnosis >> Diagrams >> Connector Views >> Integrated Control Relay Module

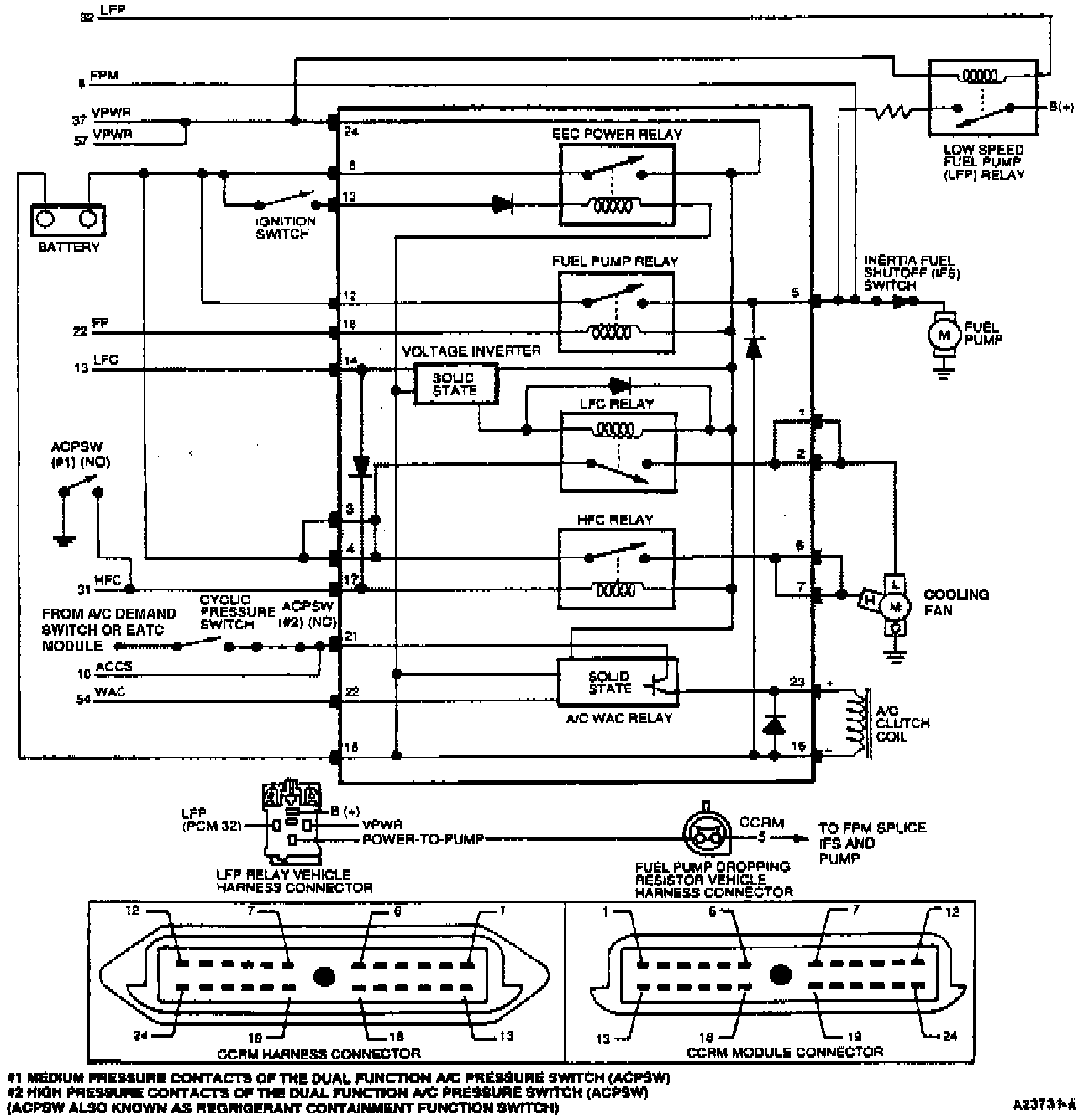
Integrated Control Relay Module

Constant Control Relay Module: