lemon-mirror:
Home >> Ford >> 1993 >> Taurus V6-232 3.8L >> Repair and Diagnosis >> Powertrain Management >> Computers and Control Systems >> Integrated Control Relay Module >> Diagrams >> Connector Views

Connector Views

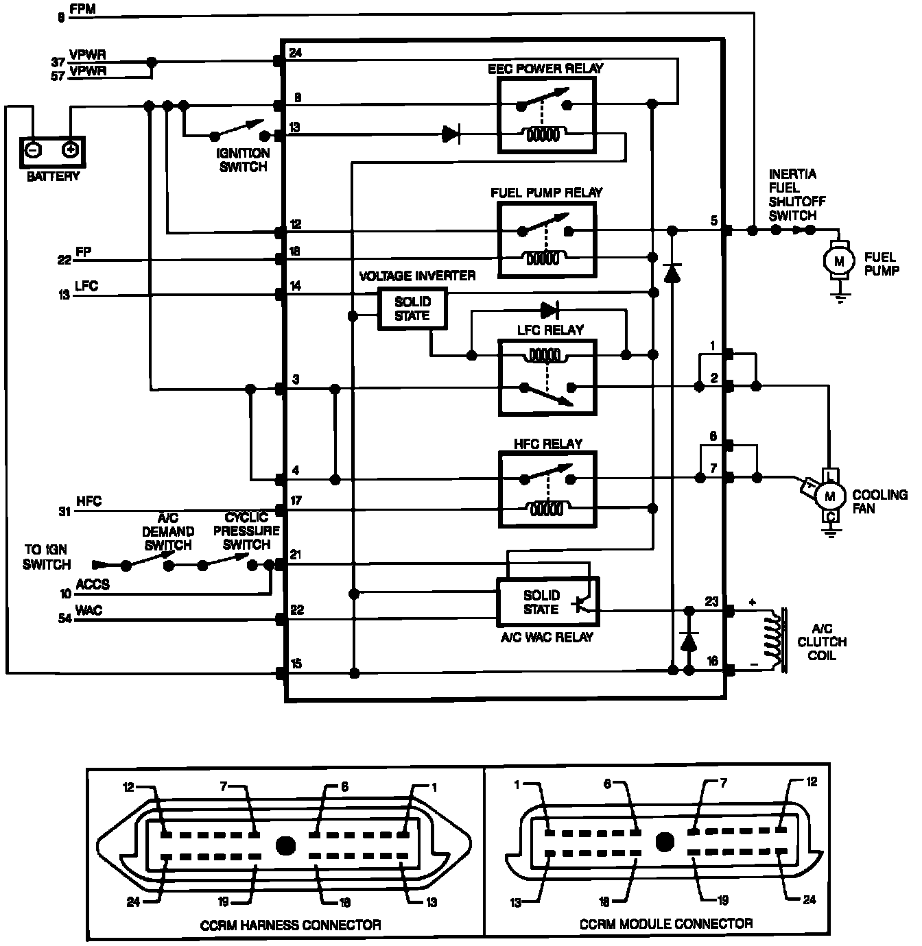
Constant Control Relay Module (CCRM) Schematic:



Constant Control Relay Module (CCRM) Pin Usage: