lemon-mirror:
Home >> Ford >> 1993 >> Taurus V6-232 3.8L >> Repair and Diagnosis >> Diagrams >> Exploded Views >> Steering Column >> With Column Shift

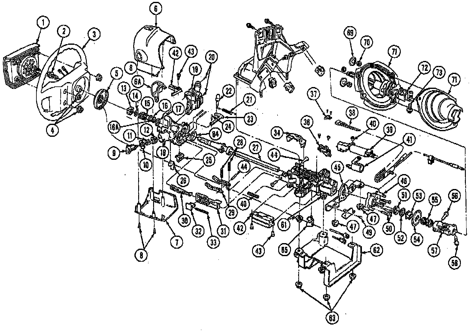
With Column Shift






Steering Column with Column Shift

Fig. 6 Exploded View Of Steering Column W/column Shift:






Fig. 6 Exploded View Of Steering Column W/Column Shift: