lemon-mirror:
Home >> Ford >> 1992 >> Taurus V6-232 3.8L >> Repair and Diagnosis >> Powertrain Management >> Ignition System >> Distributor >> Locations

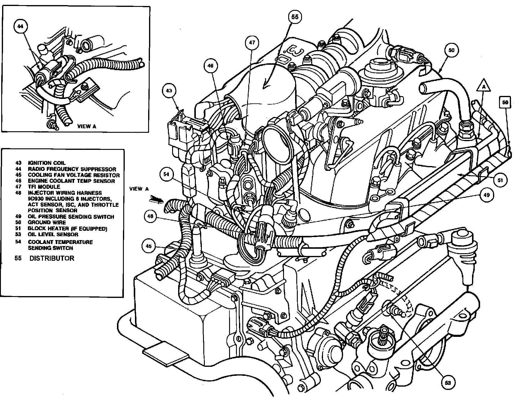
Distributor: Locations

Ignition Coil And Distributor: