lemon-mirror:
Home >> Ford >> 1992 >> Taurus V6-232 3.8L >> Repair and Diagnosis >> Powertrain Management >> Computers and Control Systems >> Integrated Control Relay Module >> Diagrams >> Connector Views

Connector Views

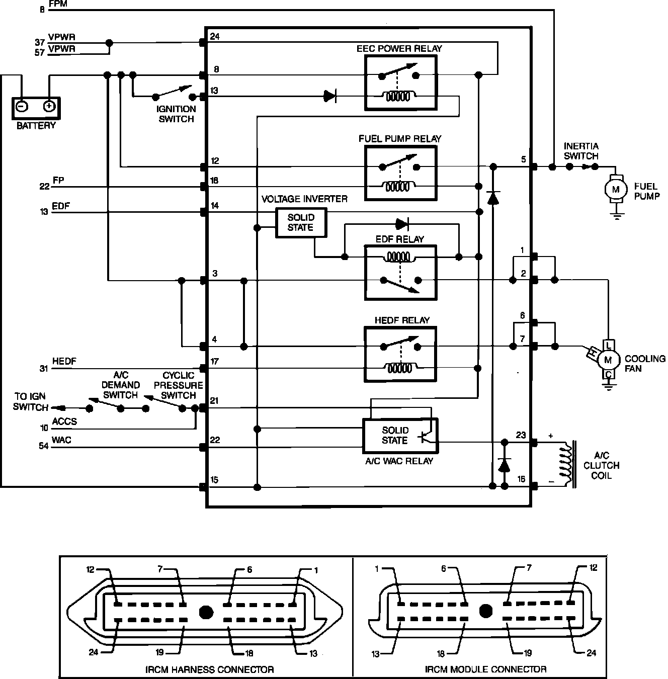
Intergrated Relay Control Module (IRCM) Schematic:



Integrated Relay Control Module (IRCM) Pinout: