lemon-mirror:
Home >> Ford >> 1992 >> Taurus V6-232 3.8L >> Repair and Diagnosis >> Heating and Air Conditioning >> Control Module HVAC >> Service Precautions

Control Module HVAC: Service Precautions

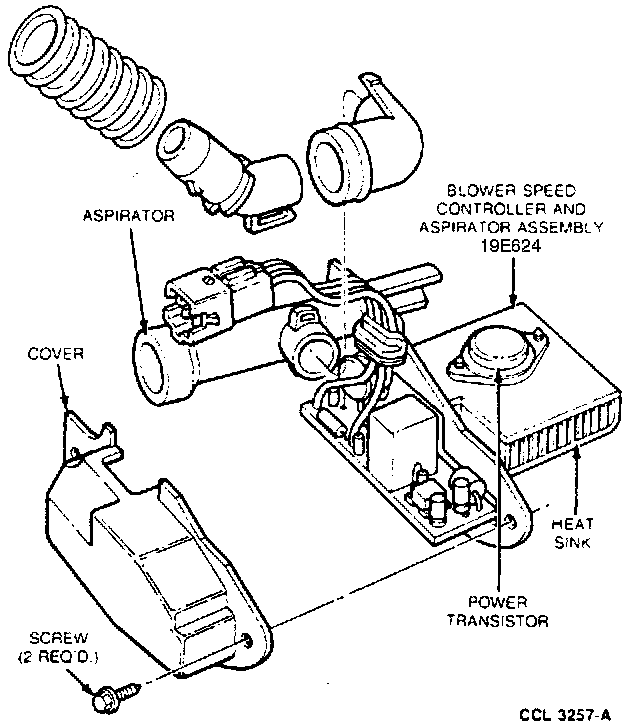
Blower Speed Controller:






CAUTION: The system should not be operated with the blower motor disconnected. Damage may occur to the electronic blower speed controller if cooling air is not provided by the blower motor.