lemon-mirror:
Home >> Ford >> 1992 >> Probe V6-182 3.0L >> Repair and Diagnosis >> Powertrain Management >> Computers and Control Systems >> Integrated Control Relay Module >> Diagrams >> Electrical Diagrams

Electrical Diagrams

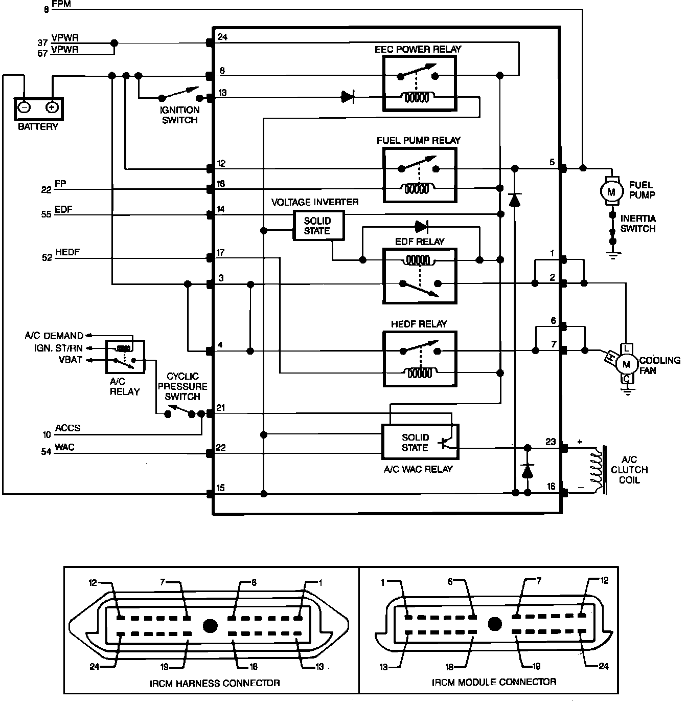
Intergrated Relay Control Module (IRCM) Schematic:



Intergrated Relay Control Module (IRCM) Pinout: