lemon-mirror:
Home >> Ford >> 1992 >> Probe V6-182 3.0L >> Repair and Diagnosis >> Diagrams >> Electrical Diagrams >> Control Module, A/T

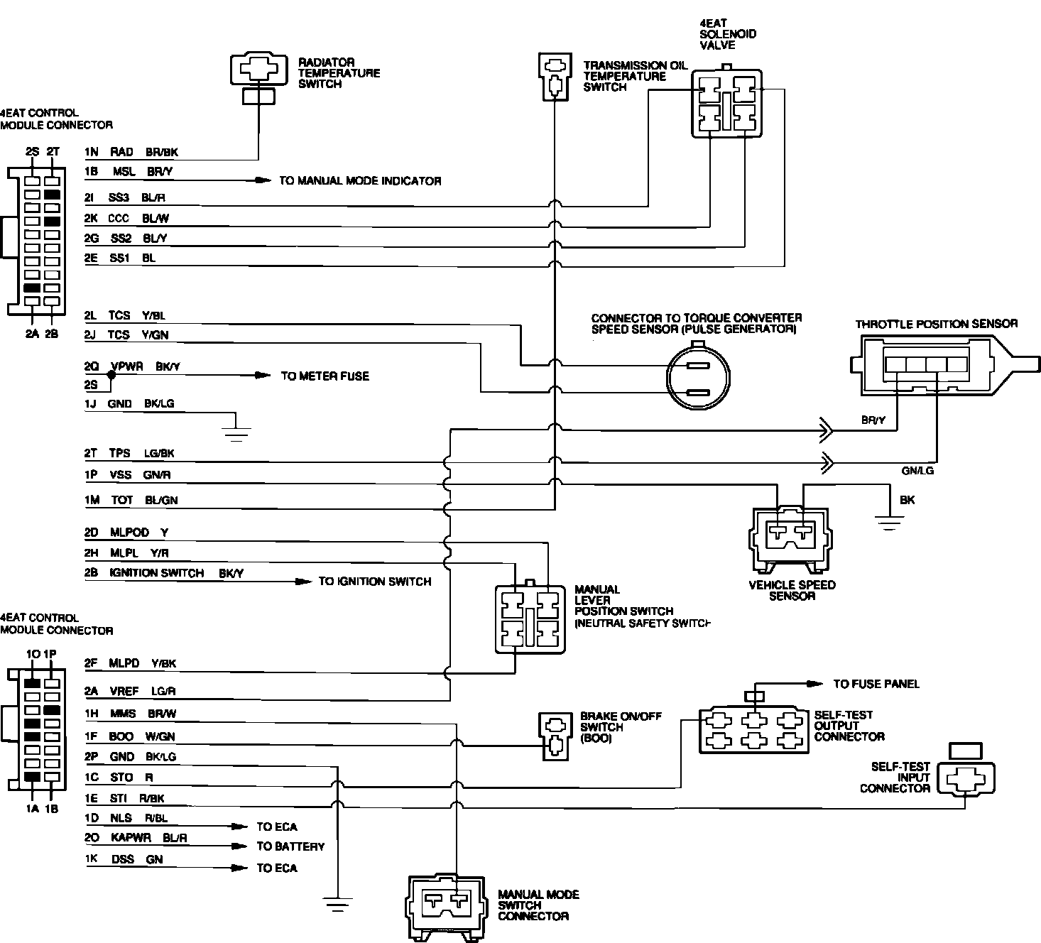
Control Module, A/T

Electrical Schematic: