lemon-mirror:
Home >> Ford >> 1991 >> Taurus L4-153 2.5L HSC >> Repair and Diagnosis >> Diagrams >> Connector Views >> Integrated Control Relay Module

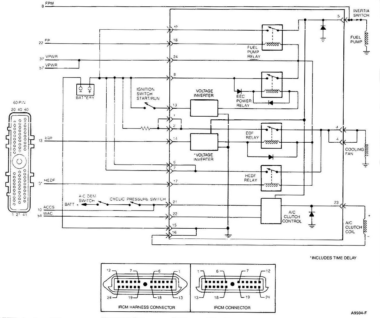
Integrated Control Relay Module




Integral Relay Control Module (IRCM)

IRCM (2.5L):






IRCM (2.5L) Pin Usage:






The Integral Relay Control Module (IRCM) interfaces with the EEC-IV processor to provide control of the cooling fan, A/C clutch, and the fuel pump.