lemon-mirror:
Home >> Ford >> 1991 >> Probe V6-182 3.0L >> Repair and Diagnosis >> Diagrams >> Connector Views >> Integrated Control Relay Module

Integrated Control Relay Module




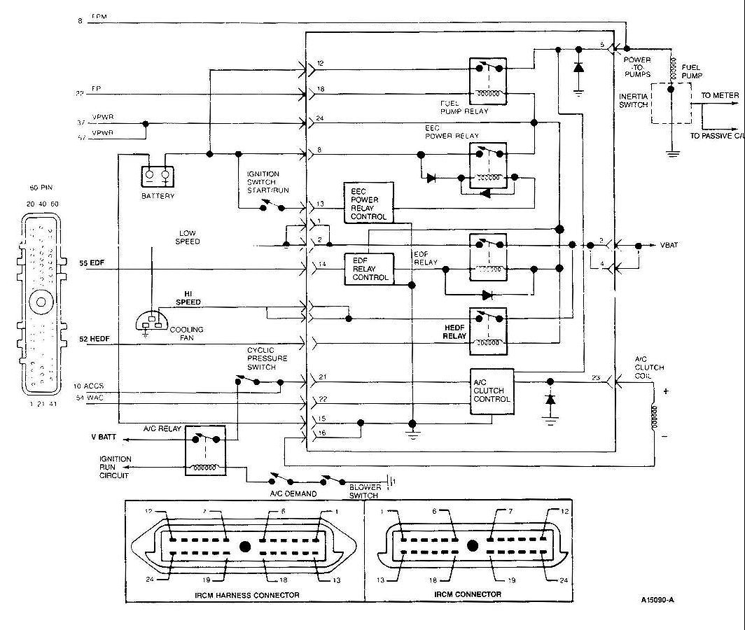
Integral Relay Control Module (IRCM)

IRCM (3.0L):






IRCM (3.0L) Pin Usage:






The Integral Relay Control Module (IRCM) interfaces with the EEC-IV processor to provide control of the cooling fan, A/C clutch, and the fuel pump.