lemon-mirror:
Home >> Ford >> 1990 >> Thunderbird V6-232 3.8L >> Repair and Diagnosis >> Powertrain Management >> Computers and Control Systems >> Integrated Control Relay Module >> Diagrams >> Electrical Diagrams

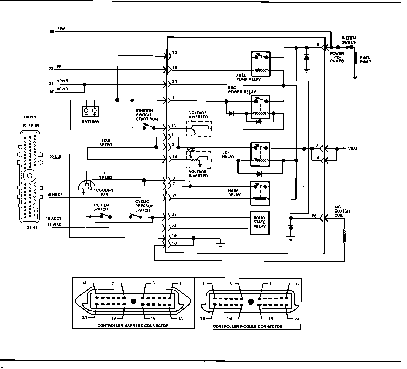
Electrical Diagrams






*** UPDATED BY TSB #906B16 03-23-90