lemon-mirror:
Home >> Ford >> 1990 >> Thunderbird V6-232 3.8L SC >> Repair and Diagnosis >> Powertrain Management >> Ignition System >> Ignition Control Module >> Service and Repair

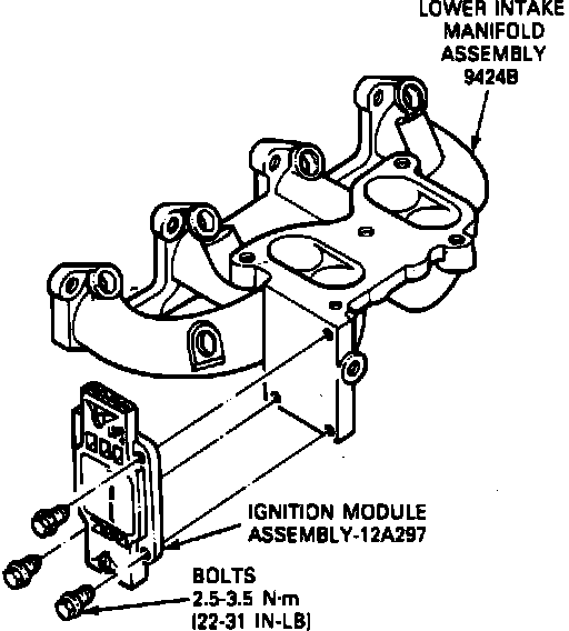
Ignition Control Module: Service and Repair

Distributorless Ignition System (DIS) Module:






REMOVAL

1. Identify, then disconnect electrical connectors from DIS ignition module assembly by pushing down on the connector locking tabs. Tabs are marked push.
2. Remove three retaining screws, then the ignition module from the lower intake manifold.

INSTALLATION

1. Apply a 1/32 inch coat of silicone dielectric compound or equivalent to the mounting surface of the DIS module.
2. Mount the DIS module to the intake manifold. Torque bolts to specification, refer to SPECIFICATIONS.
3. Connect electrical connectors to ignition module.