lemon-mirror:
Home >> Ford >> 1990 >> Taurus V6-182 3.0L >> Repair and Diagnosis >> Diagrams >> Connector Views >> Integrated Control Relay Module

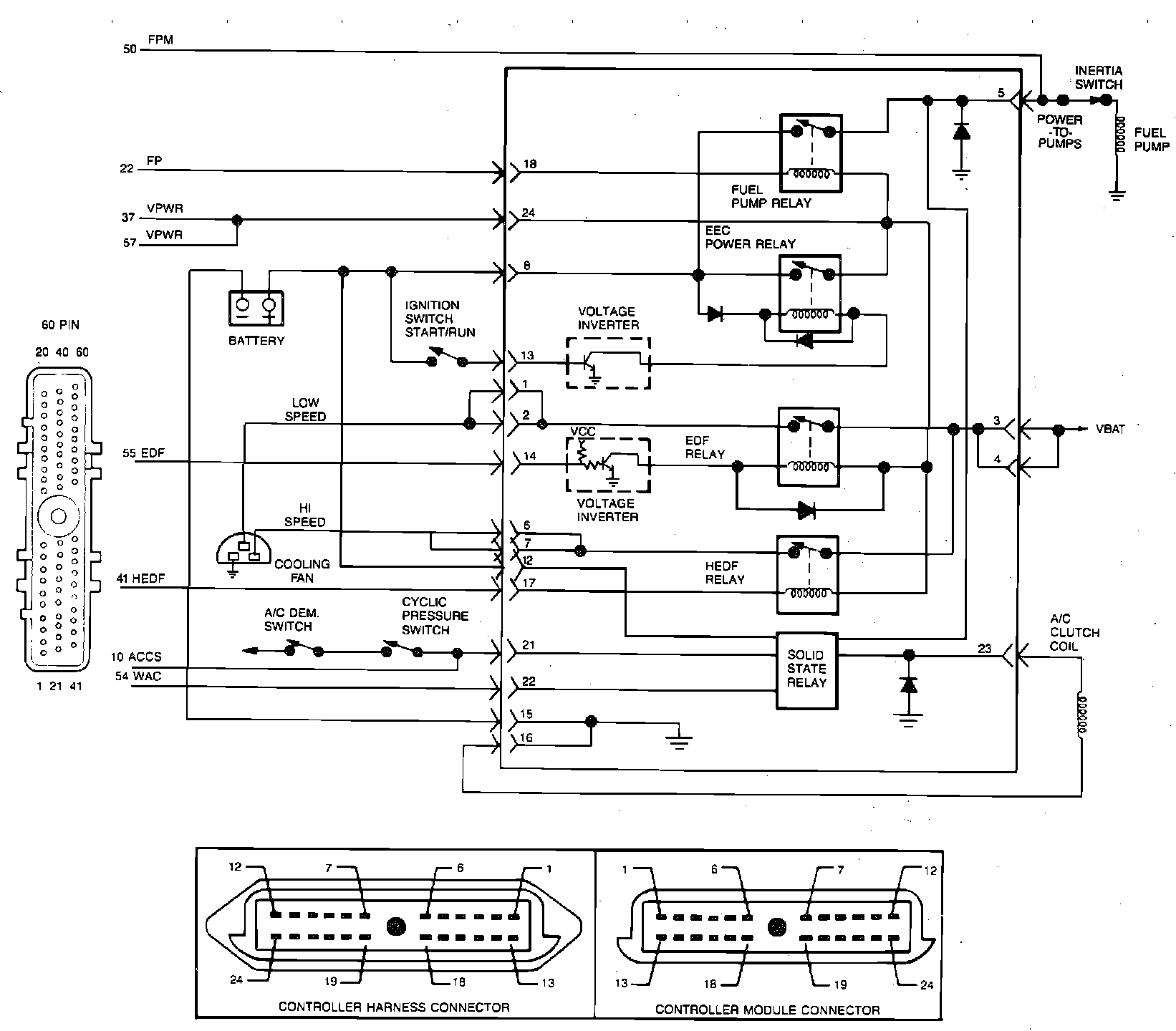
Integrated Control Relay Module