lemon-mirror:
Home >> Ford >> 1990 >> Taurus L4-153 2.5L HSC >> Repair and Diagnosis >> Powertrain Management >> Computers and Control Systems >> Vehicle Speed Sensor >> Locations

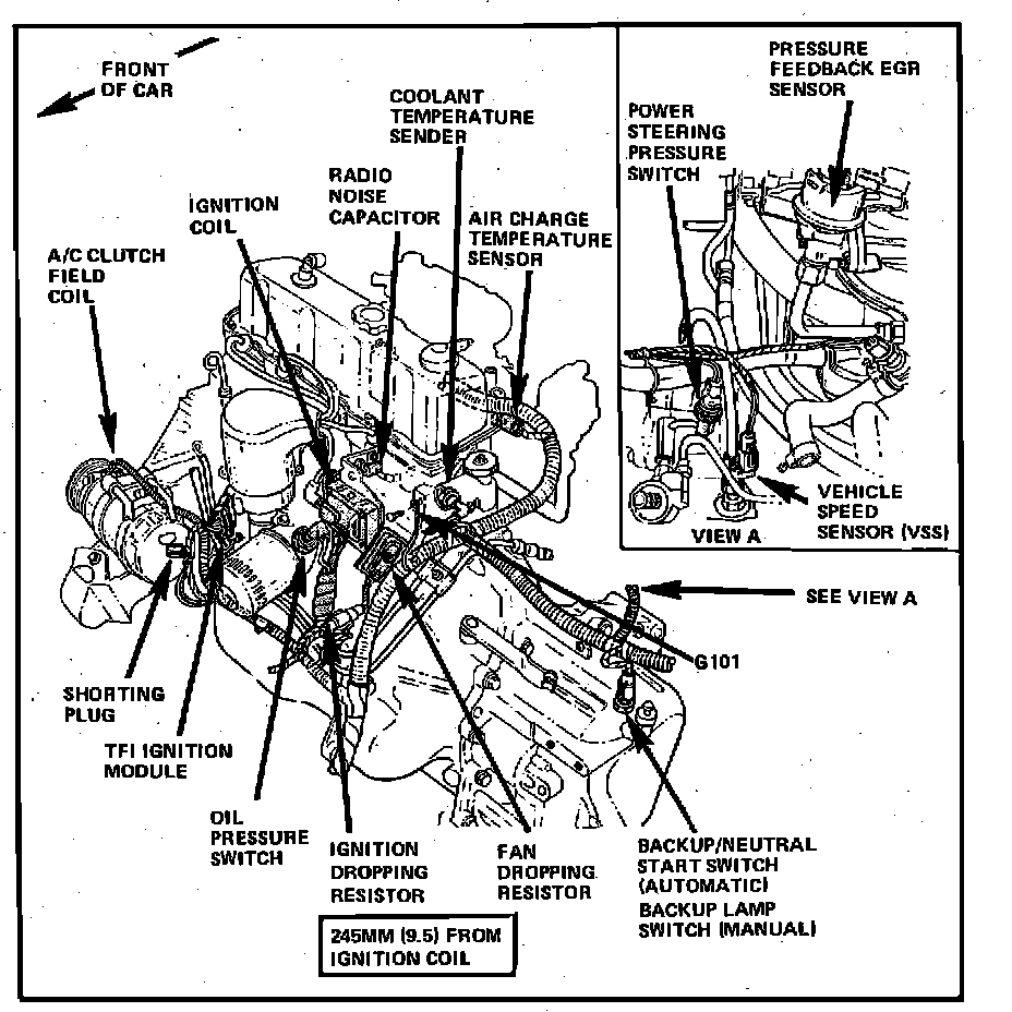
Vehicle Speed Sensor: Locations

LH Side Of Engine Compartment.:




LH Side Rear Of Engine

Applicable to: 4-153/2.5L