lemon-mirror:
Home >> Ford >> 1990 >> Ranger 2WD V6-177 2.9L >> Repair and Diagnosis >> Powertrain Management >> Computers and Control Systems >> Engine Control Module >> Locations

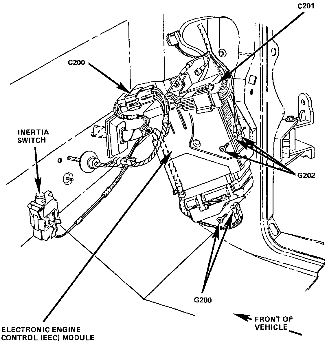
Engine Control Module: Locations





The Electronic Engine Control (EEC) Module is located in the Right Hand Cowl Panel.