lemon-mirror:
Home >> Ford >> 1990 >> Ranger 2WD V6-177 2.9L >> Repair and Diagnosis >> Cruise Control >> Cruise Control Module >> Locations

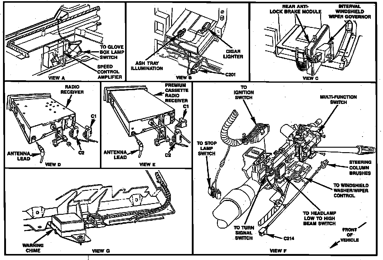
Cruise Control Module: Locations




Behind RH Side Of I/P