lemon-mirror:
Home >> Ford >> 1989 >> Taurus V6-232 3.8L >> Repair and Diagnosis >> Powertrain Management >> Computers and Control Systems >> Integrated Control Relay Module >> Diagrams >> Connector Views

Connector Views

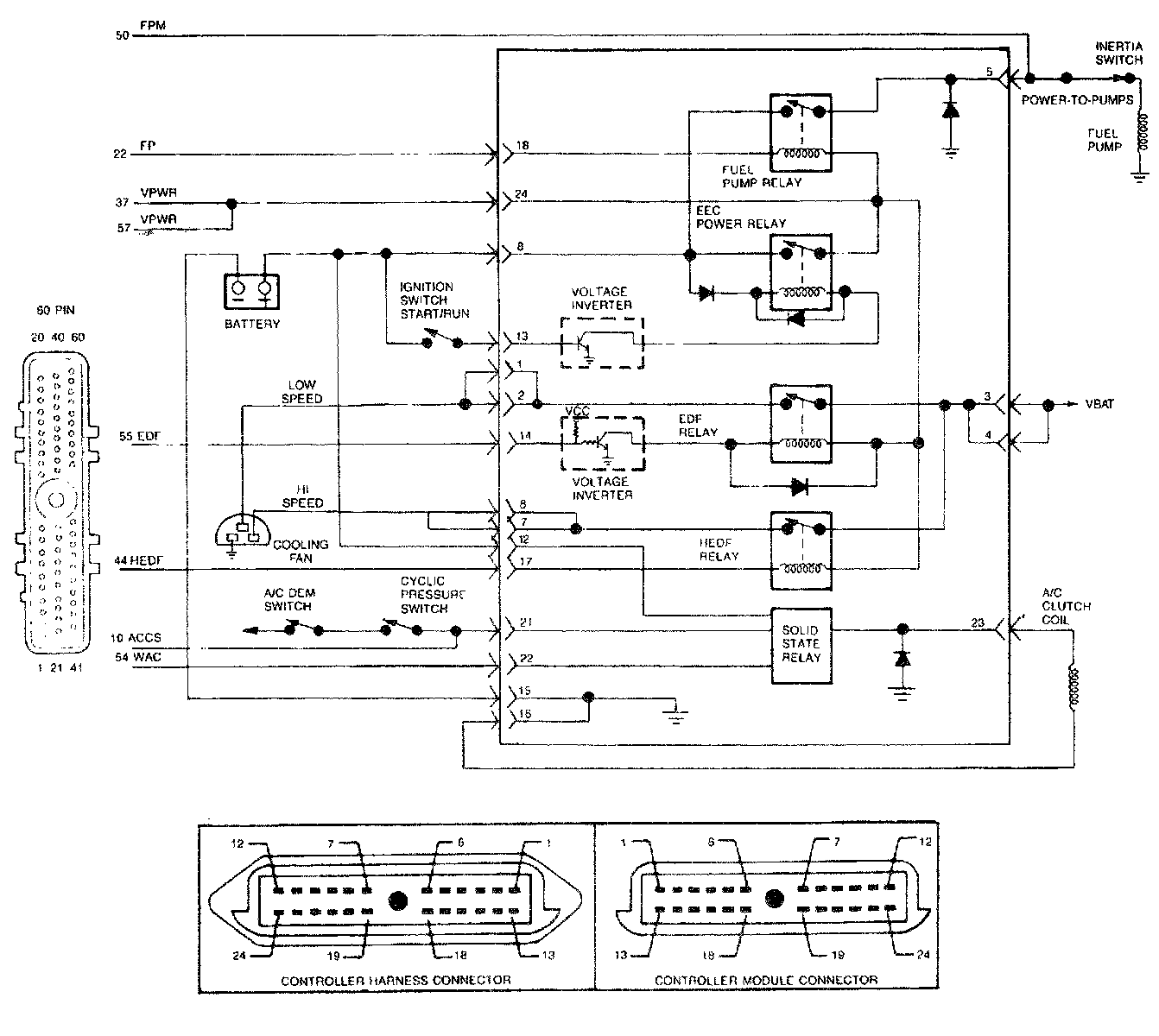
Integrated Relay Controller Module (IRCM) Schematic:



Integrated Relay Controller Module (IRCM) Pin Usage: