lemon-mirror:
Home >> Ford >> 1989 >> Taurus L4-153 2.5L HSC >> Repair and Diagnosis >> Diagrams >> Connector Views >> Integrated Control Relay Module

Integrated Control Relay Module

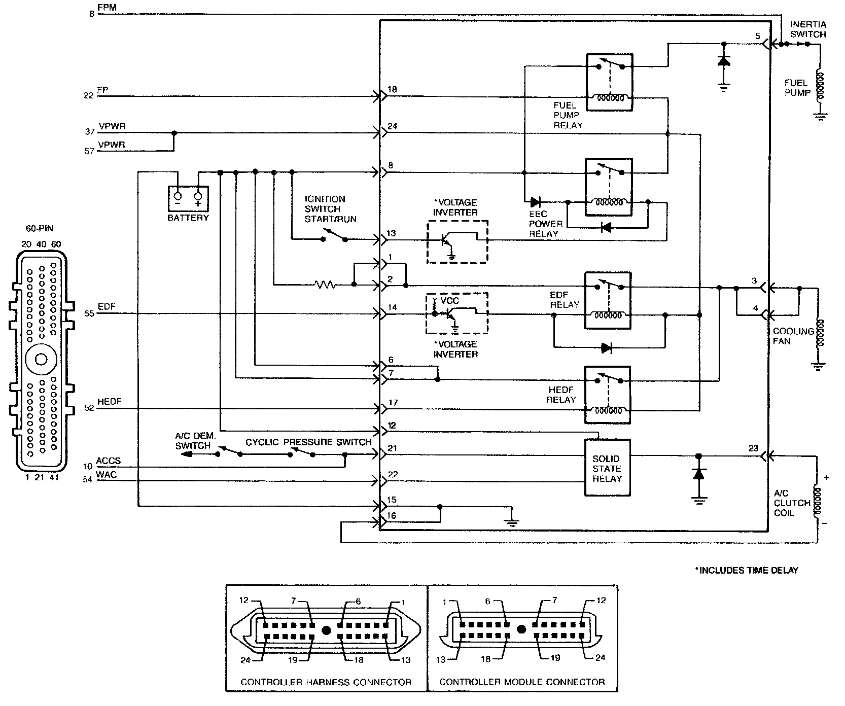
Integrated Relay Controller Module Schematic:



Integrated Relay Controller Module (IRCM) Pin Usage: