lemon-mirror:
Home >> Ford >> 1988 >> Taurus V6-232 3.8L >> Repair and Diagnosis >> Diagrams >> Connector Views >> Integrated Control Relay Module

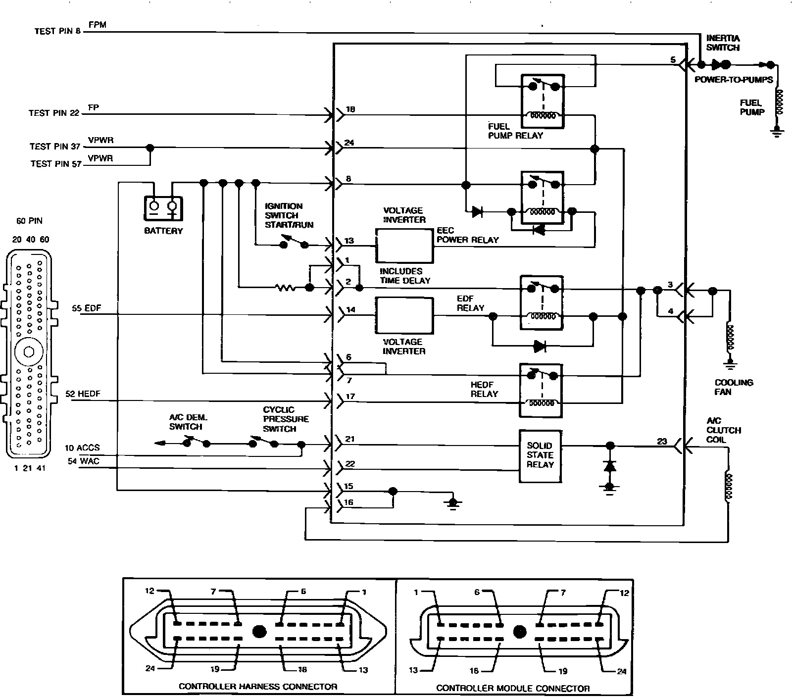
Integrated Control Relay Module

Wiring Schematic - Integrated Controller W/EFI & AXOD:



Pin Usage - Integrated Controller W/EFI & AXOD: