lemon-mirror:
Home >> Ford >> 1988 >> Taurus V6-182 3.0L >> Repair and Diagnosis >> Heating and Air Conditioning >> Control Module HVAC >> Testing and Inspection

Control Module HVAC: Testing and Inspection

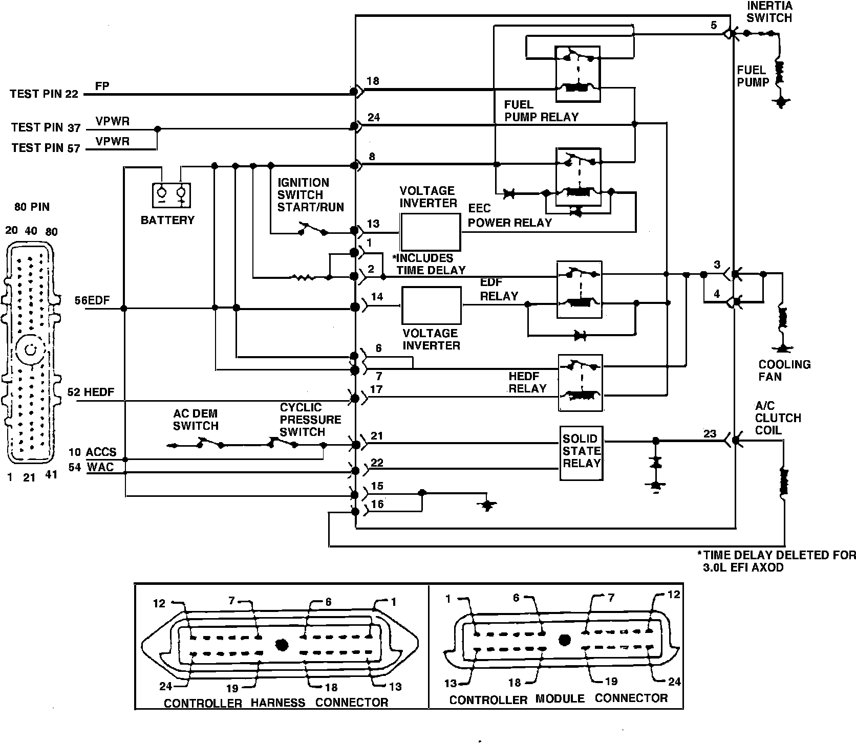
Electric engine cooling fan wiring diagram. Type 23 4-140/2.3L Turbo engine:




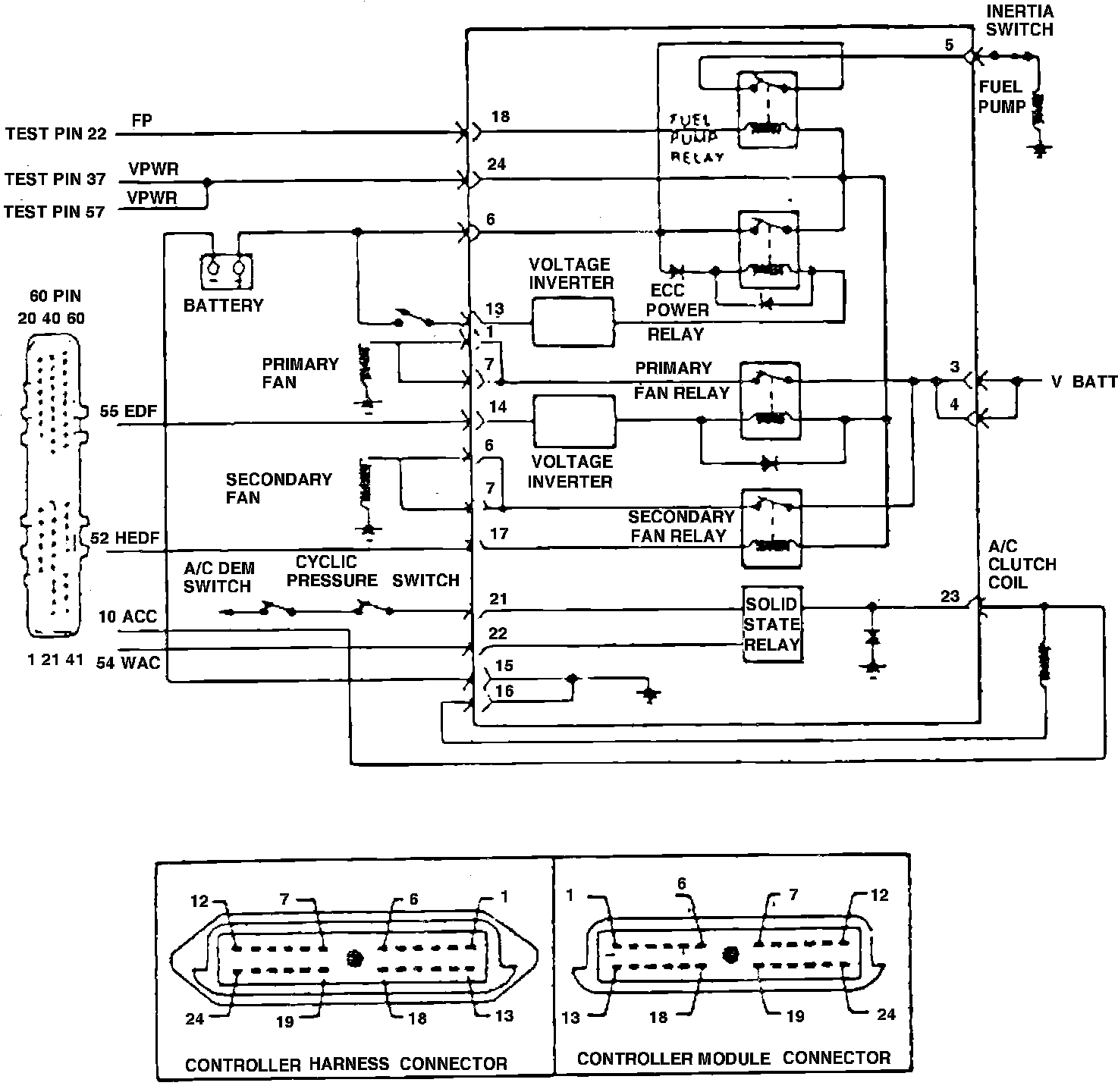
Electric engine cooling fan wiring diagram. Type 23 4-153/2.5L engine w/auto. trans & V6-181/3.0L & V6-232/3.8L engines:




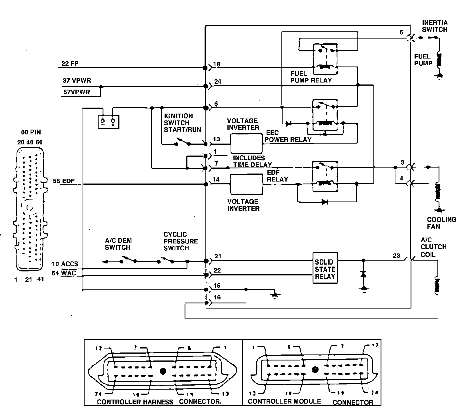
Electric engine cooling fan wiring diagram. Type 23 4-153/2.5L engine w/man. trans.:






Refer to Figs. 24, 25 and 26, during the following procedure. It should be noted that the fan controlled has an internal circuit protection that will open the fan circuit if the fan relay coil is shorted.
1. With ignition switch in the Off position, disconnect integrated controller electrical connector. Using a suitable digital voltmeter, measure voltage between battery ground terminal and pins 1, 2, 6 and 7 of the integrated controller electrical connector.
a. If voltmeter readings are 10 1/2 volts or more, proceed to step 2.
b. If voltmeter readings are less than 10 1/2 volts, check circuit and repair as necessary.
2. With ignition switch in the Off position and integral controller electrical connector disconnected, connect a jumper wire between integrated controller electrical connector pins 3 and 6.
a. If fan motor is now operating, proceed to step 3.
b. If fan motor is not operating, proceed to step 4.
3. With ignition switch in Off position and integral relay control module connected, disconnect processor. Place ignition switch in key on position and note if cooling fan is operating at low speed.
a. If cooling fan is not operating at low speed, proceed to step 6.
b. If cooling fan is operating at low speed, replace integral controller and re-check system.
4. With ignition switch in the Off position, disconnect integrated controller and cooling fan motor electrical connectors. Connect a jumper wire between integrated controller electrical connector terminal 3 and 6. Using a suitable digital voltmeter, measure voltage at cooling fan electrical connector.
a. If reading is 8 volts or above, replace fan motor and recheck.
b. If reading is less than 8 volts, proceed to step 5.
5. With ignition switch in Off position and integral controller electrical connector disconnected, disconnect cooling fan motor electrical connector. Connect a jumper wire between integral controller electrical connector terminals 3 and 6. Using a suitable digital voltmeter, connect positive lead of voltmeter to cooling fan motor electrical connector and negative lead to battery ground terminal and note voltmeter reading.
a. If voltmeter is 8 volts or more, check cooling ground circuit and service as necessary.
b. If voltmeter reading is less tan 8 volts, check for open circuit in wiring from pin 3 to pin 4 of integral controller electrical connector and repair as necessary.
6. With processor connected, check engine coolant level and correct as necessary. Start engine and allow to reach operating temperature, then place ignition switch in Off position and wait approximately 10 seconds. Disconnect electrical connector from engine coolant temperature sensor, then using a suitable digital volt/ohmmeter, measure sensor resistance.
a. If resistance is between 1,500 and 2,000 ohms, replace processor.
b. If resistance is not between 1,500 and 2,000 ohms, replace engine coolant temperature sensor.
7. With ignition switch in the Off position, disconnect integral controller. Using a suitable digital volt/ohmmeter, check resistance between integrated controller pins 17 and 24.
a. If resistance is between 50 and 100 ohms, check short or open in circuit 52 HDEF.
b. If resistance is between 50 and 100 ohms, replace integral controller.
8. With ignition switch in Off position, disconnect integrated controller. Using a suitable digital voltmeter, measure voltage between battery ground terminal and pins 1 and 2 of the integrated controller electrical connector.
a. If voltage reading is 10 1/2 volts or more, proceed to step 9.
b. If voltage reading is less than 10 1/2 volts, check for open in battery supply circuit and repair as necessary.
9. With ignition switch in the Off position, disconnect integrated controller electrical connector. Connect a jumper wire between terminals 1 and 3 of the integral controller electrical connector.
a. If fan motor is operating, proceed to step 10.
b. If fan motor is not operating, refer to step 11.
10. With ignition switch in the Off position and integral controller connected, disconnect processor. Place ignition switch in the On position and note if cooling fan is operating.
a. If fan motor does not operate, refer to step 6.
b. If fan motor is operating, refer to step 11.
11. With ignition switch in the Off position, disconnect processor and integrated controller electrical connectors. Using a suitable digital volt/ohmmeter, measure resistance between integrated controller electrical connector terminals 14 and 15.
a. If reading is 10,000 ohms or more, replace integrated controller.
b. If reading is less than 10,000 ohms, check short in circuit EDF 55 and repair as necessary.
12. With ignition switch in Off position, disconnect cooling fan and integral controller connectors. Connect a jumper wire between integral controller electrical connector terminals 1 and 3. Using a suitable digital voltmeter, connect voltmeter positive lead to cooling fan electrical connector and voltmeter negative lead to battery ground terminal.
a. If voltmeter reading is 8 volts or more, check cooling fan motor ground circuit for open.
b. If voltage reading is less than 8 volts, check wiring from integrated controller electrical connector terminals 3 and 4.
13. With ignition switch in Off position, disconnect integrated controller. Using a suitable digital voltmeter, measure voltage between battery ground terminal and pins 3 and 4 of the integrated controller electrical connector.
a. If voltage reading is 10 1/2 volts or more, proceed to step 14.
b. If voltage reading is less than 10 1/2 volts, check for open in battery supply circuit and repair as necessary.