lemon-mirror:
Home >> Ford >> 1988 >> Taurus L4-153 2.5L HSC >> Repair and Diagnosis >> Powertrain Management >> Computers and Control Systems >> Throttle Position Sensor >> Locations

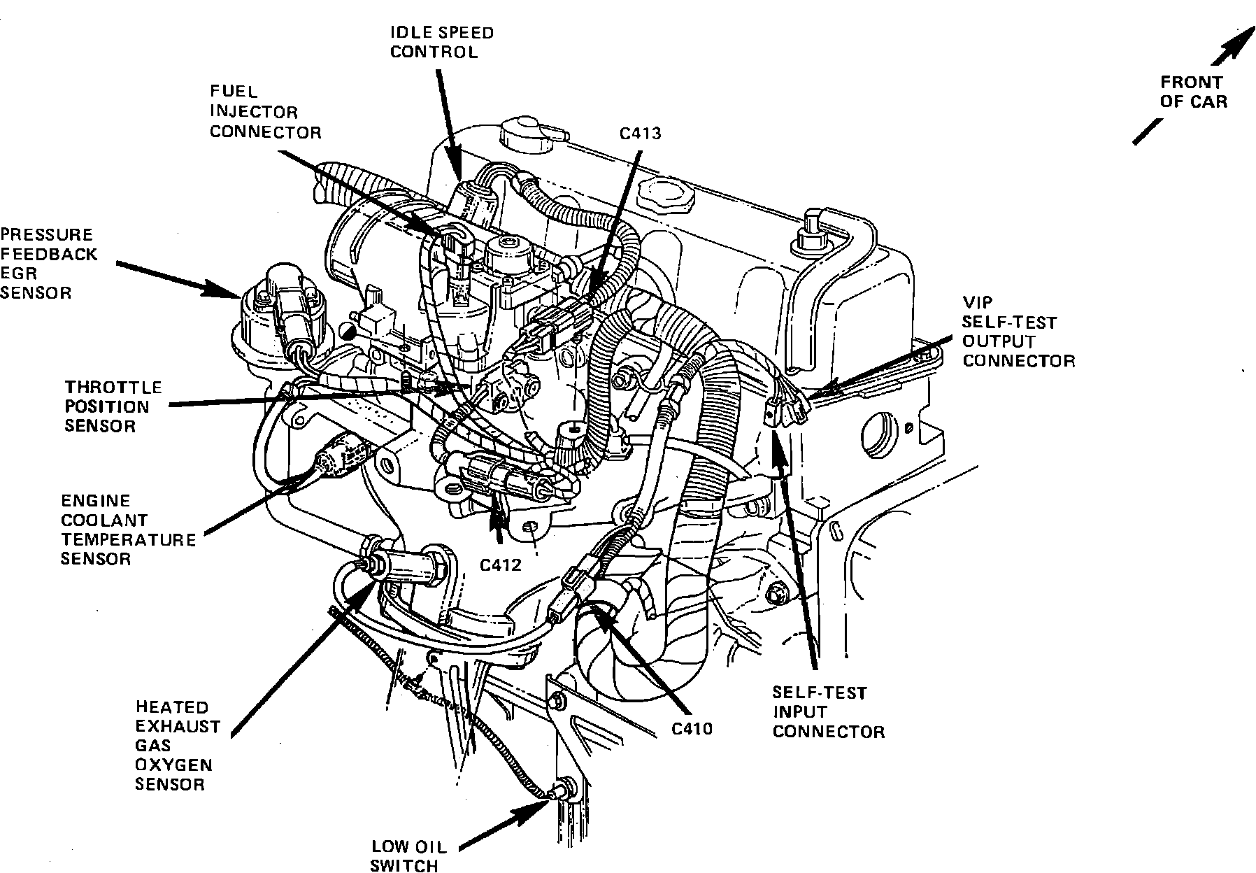
Throttle Position Sensor: Locations

Location View - Engine Components.:




Center Rear Of Engine, Above Exhaust Manifold

Applicable to: 4-153/2.5L