lemon-mirror:
Home >> Ford >> 1988 >> Taurus L4-153 2.5L HSC >> Repair and Diagnosis >> Diagrams >> Connector Views >> Integrated Control Relay Module >> Manual Transaxle

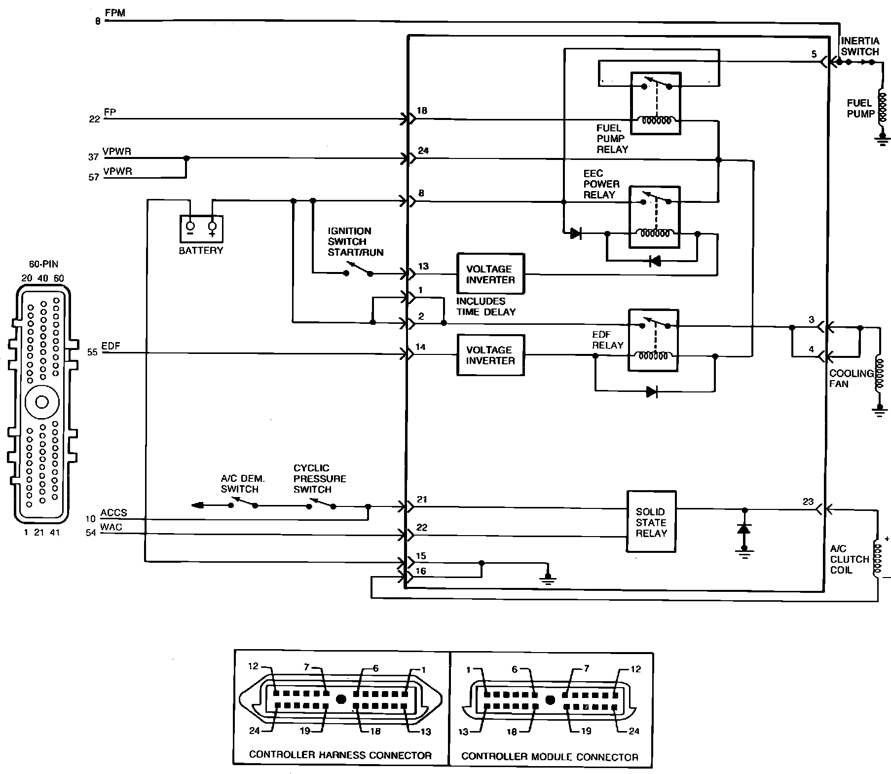
Manual Transaxle

Wiring Schematic - Integrated Controller:



Pin Usage - Integrated Controller: