lemon-mirror:
Home >> Ford >> 1987 >> Taurus V6-182 3.0L >> Repair and Diagnosis >> Diagrams >> Connector Views >> Cooling System >> Radiator Cooling Fan Control Module

Radiator Cooling Fan Control Module

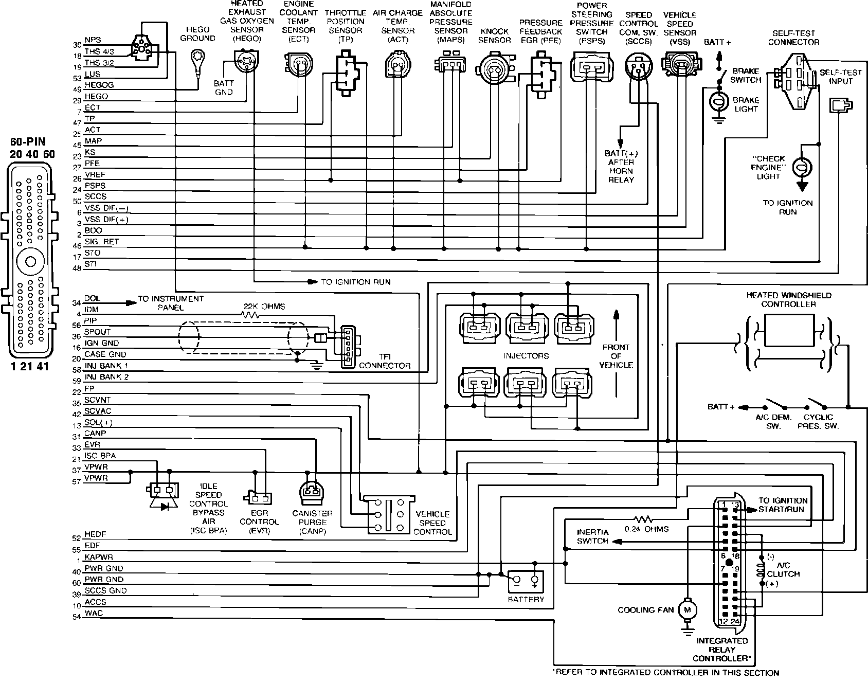
Wiring Schematic - EEC-IV System:





Pin Usage - EEC-IV Module Connector:





The Electronic Control Assembly (ECA) is the Cooling Fan Control Module.