lemon-mirror:
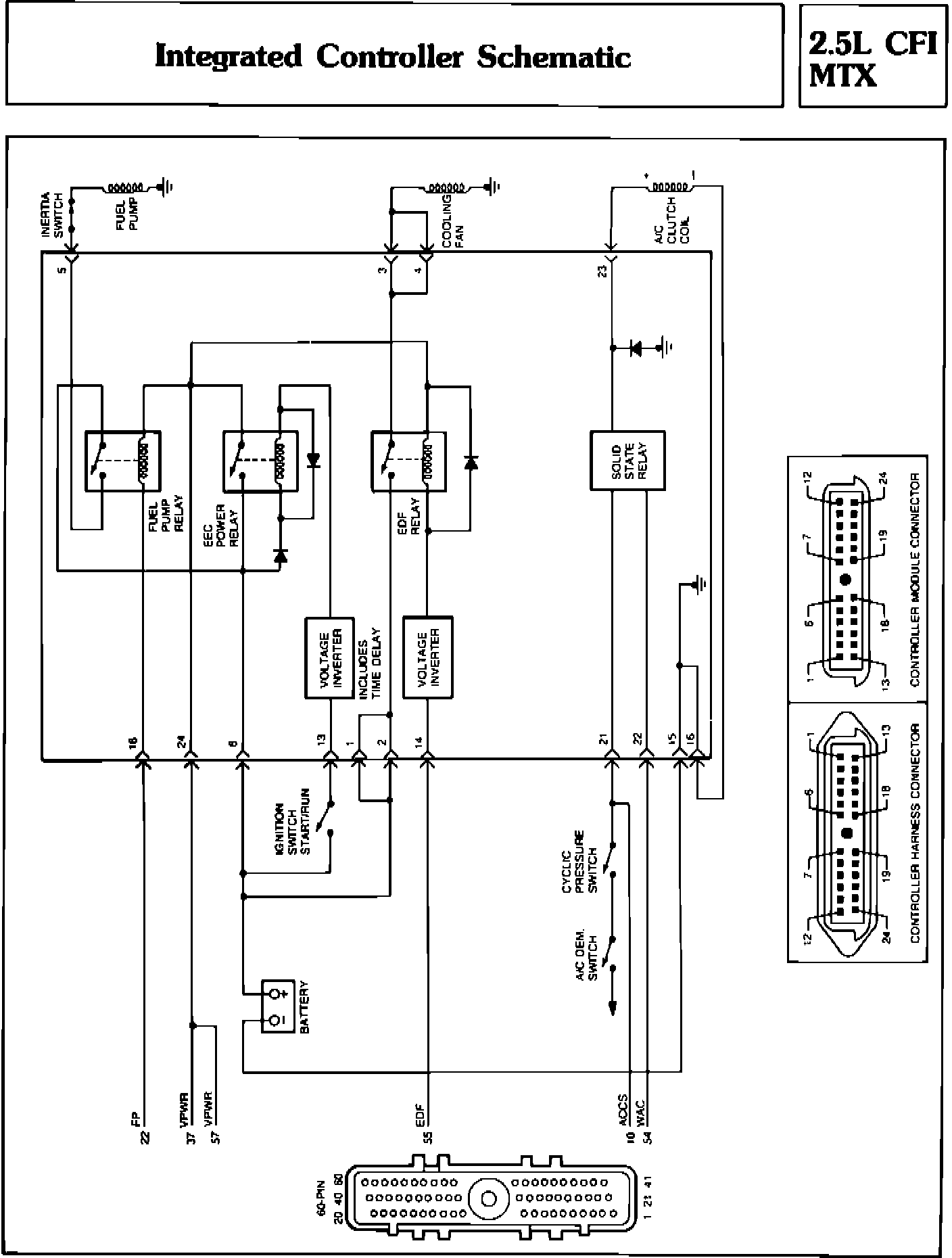
Home >> Ford >> 1987 >> Taurus L4-153 2.5L HSC >> Repair and Diagnosis >> Powertrain Management >> Computers and Control Systems >> Integrated Control Relay Module >> Diagrams >> Electrical Diagrams >> Integrated Controller Schematic >> Manual Transaxle

Manual Transaxle

Wiring Schematic - Integrated Controller:





***UPDATED BY TSB #90-18B-9

Pin Usage - Integrated Controller: