lemon-mirror:
Home >> Ford >> 1987 >> Taurus L4-153 2.5L HSC >> Repair and Diagnosis >> Powertrain Management >> Computers and Control Systems >> Integrated Control Relay Module >> Diagrams >> Electrical Diagrams >> Integrated Controller Schematic >> Automatic Transaxle

Automatic Transaxle

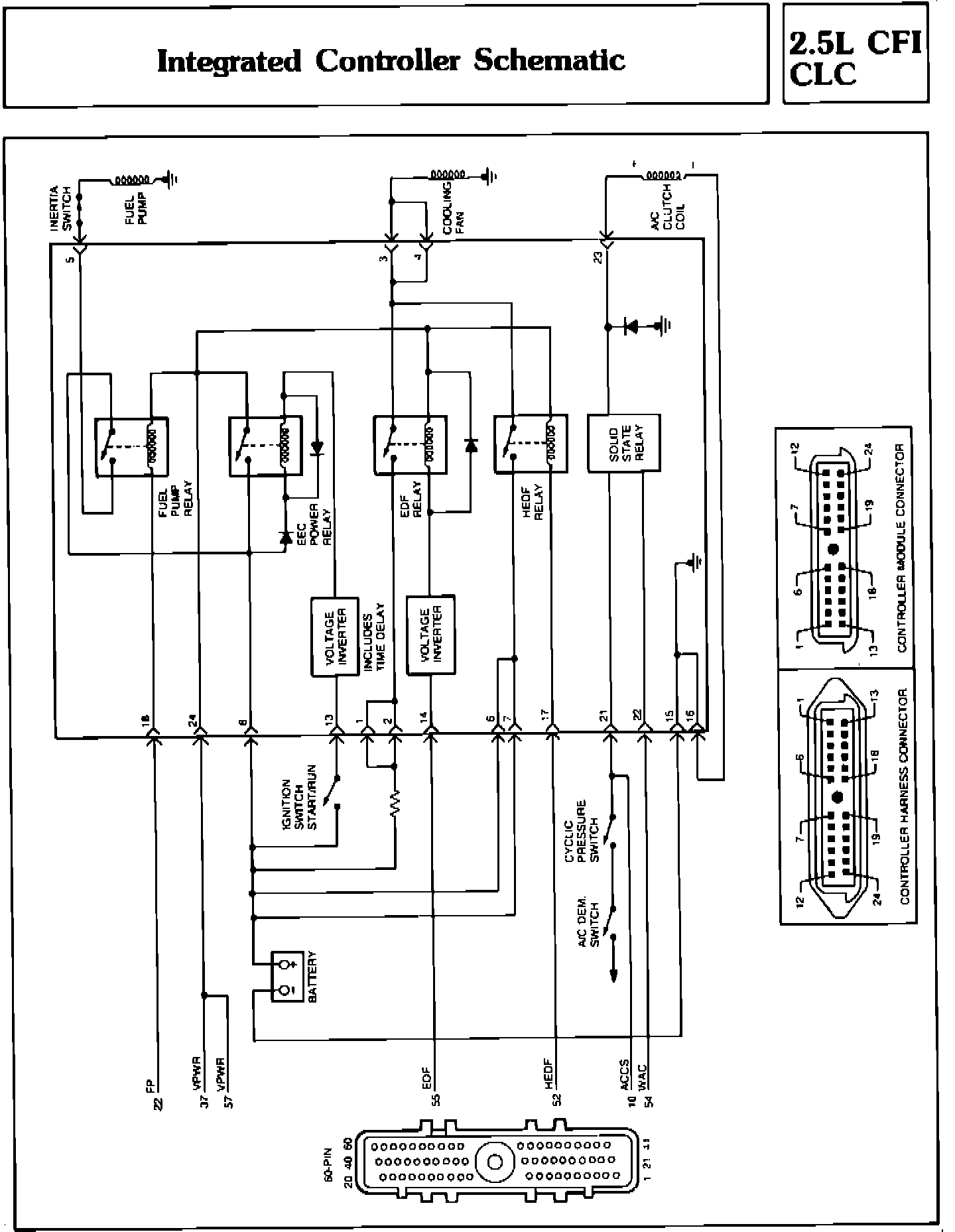
Wiring Schematic - Integrated Controller:





***UPDATED BY TSB #90-18B-9

Pin Usage - Integrated Controller: