lemon-mirror:
Home >> Ford >> 1985 >> Ranger 2WD V6-171 2.8L >> Repair and Diagnosis >> Powertrain Management >> Ignition System >> Ignition Control Module >> Locations

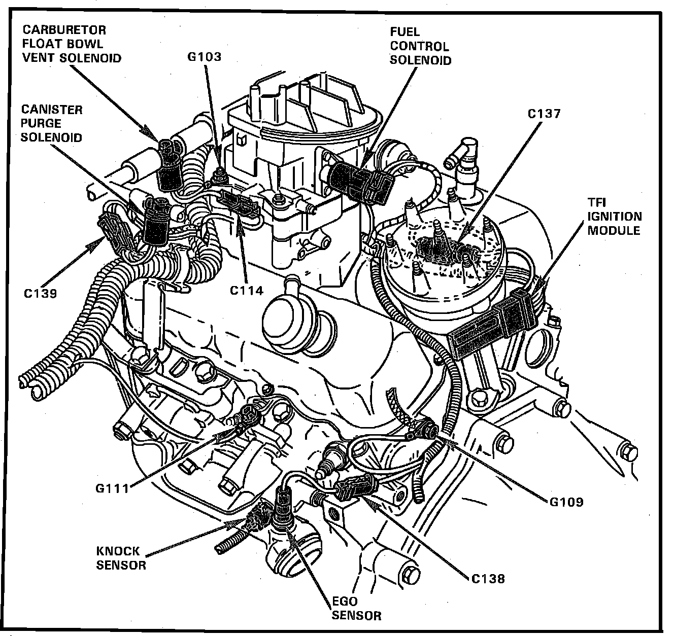
Ignition Control Module: Locations

Component Locations - LH Side Of Engine: