lemon-mirror:
Home >> Ford >> 1982 >> Thunderbird V8-255 4.2L >> Repair and Diagnosis >> Powertrain Management >> Ignition System >> Distributor >> Locations

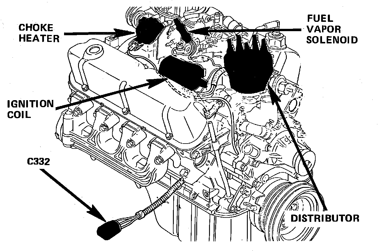
Distributor: Locations

Component Location - Without MCU: