lemon-mirror:
Home >> Eagle >> 1994 >> Vision V6-201 3.3L >> Repair and Diagnosis >> Locations >> Component Locations >> Component Locations

Component Locations

Index To Component Identification:




Fig 1 Deck Lid Wiring:




Fig 2 Trunk Area Wiring:




Fig 3 Body Wiring (Right Rear):




Fig 4 Body Wiring (Left Rear):




Fig 5 Body Wiring (Right Front):




Fig 6 Body Wiring (Left Side):




Fig 7 Body Wiring (Left Side):




Fig 8 ABS System Wiring (Rear):




Fig 9 Instrument Panel Wiring (Top):




Fig 10 Instrument Panel Wiring (Left Side):




Fig 11 Instrument Panel Wiring (Center):




Fig 12 Instrument Panel Wiring (Right Side):




Fig 13 Steering Column Wiring:




Fig 14 Door Wiring (Rear):




Fig 15 Door Wiring (Front):




Fig 16 Engine Compartment Wiring (Left Front):




Fig 17 Engine Compartment Wiring (Right Rear):




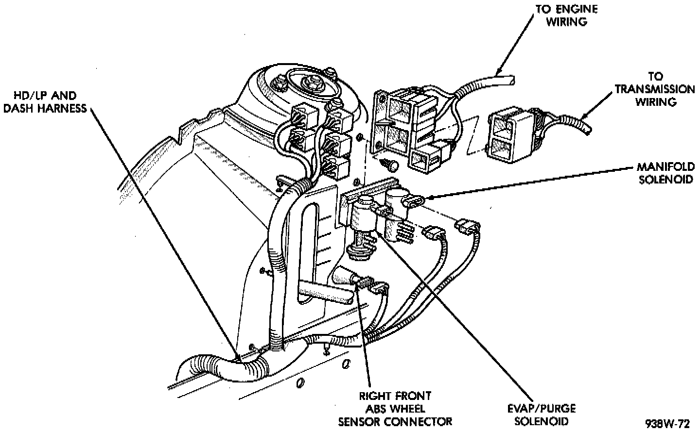
Fig 18 Engine Compartment Wiring (Left Front):




Fig 19 Engine Compartment Wiring (Left Rear):




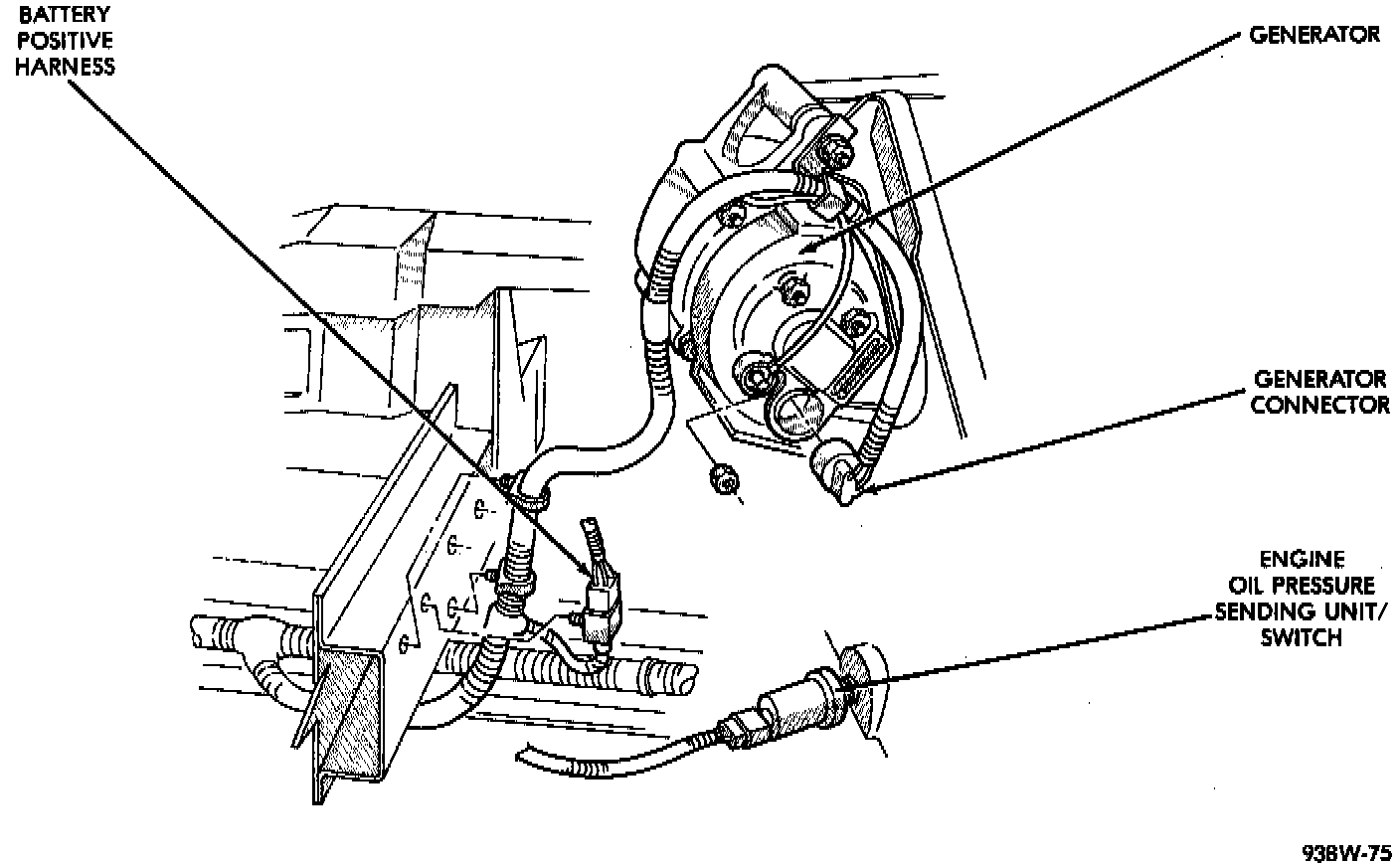
Fig 20 Generator Wiring:




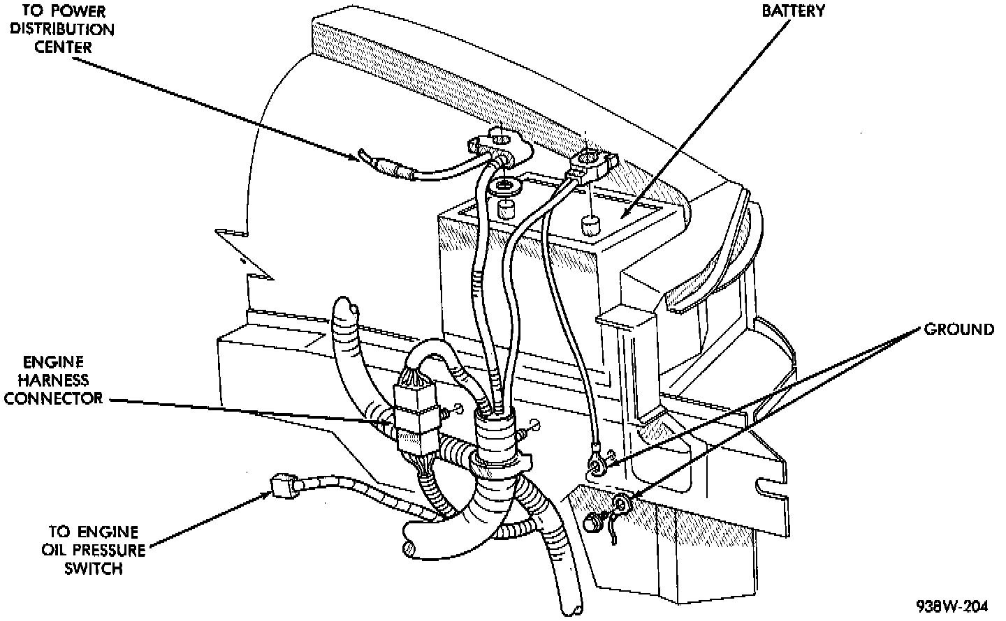
Fig 21 Battery Wiring:




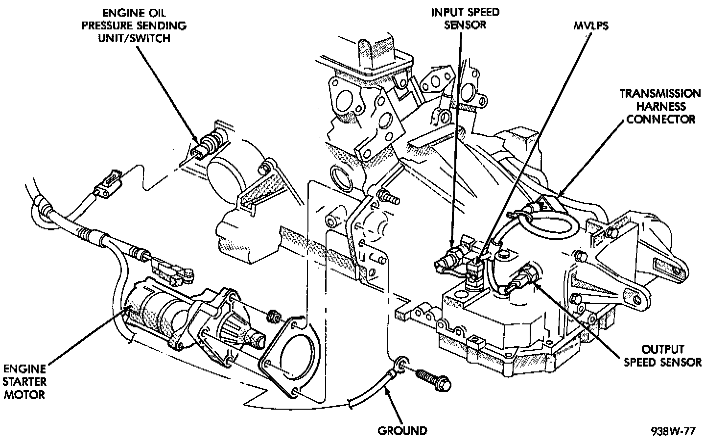
Fig 22 Starter And Transmission Wiring:




Fig 23 Engine Wiring 3.3L:




Fig 24 Engine Wiring 3.5L:




Fig 25 Underhood Lamp Wiring: