lemon-mirror:
Home >> Eagle >> 1990 >> Summit L4-1597cc 1.6L DOHC >> Repair and Diagnosis >> Powertrain Management >> Computers and Control Systems >> Locations >> MPI System Components

MPI System Components



ELECTRONIC CONTROL UNIT

Multi-Point Injection (MPI) Control Unit Location:





The electronic (MPI) control unit is located RH of the vehicle, behind the dash bolster, next to the right kick panel.

EGR VACUUM SOURCE

EGR Vacuum Port Location:





The EGR vacuum source is located on the throttle body.

FUEL FILTER (IN-LINE)

In-line Fuel Filter Location:





The In-line fuel filter is located on the firewall.

FUEL PRESSURE CONTROL SOLENOID

Fuel Pressure Control Solenoid Location:





The fuel pressure control solenoid is located approx. center of the engine compartment on the firewall.

FUEL PRESSURE REGULATOR

Fuel Pressure Regulator W/Vacuum Line Removed:





The Fuel pressure regulator is mounted on the fuel rail.

FUEL PUMP

Fuel Tank And Components:





The fuel pump is located inside the fuel tank mounted on the forward wall of the fuel tank directly under the connector.

FUEL PUMP DRIVE TERMINAL

Fuel Pump Power Hook-up:





The fuel pump drive terminal (shown hooked-up) is located approx. center of the engine compartment on the firewall.

FUEL PUMP HARNESS CONNECTOR

Electric Fuel Pump And Fuel Gauge Connectors:





The fuel pump harness connector is located on the forward end of the fuel tank.

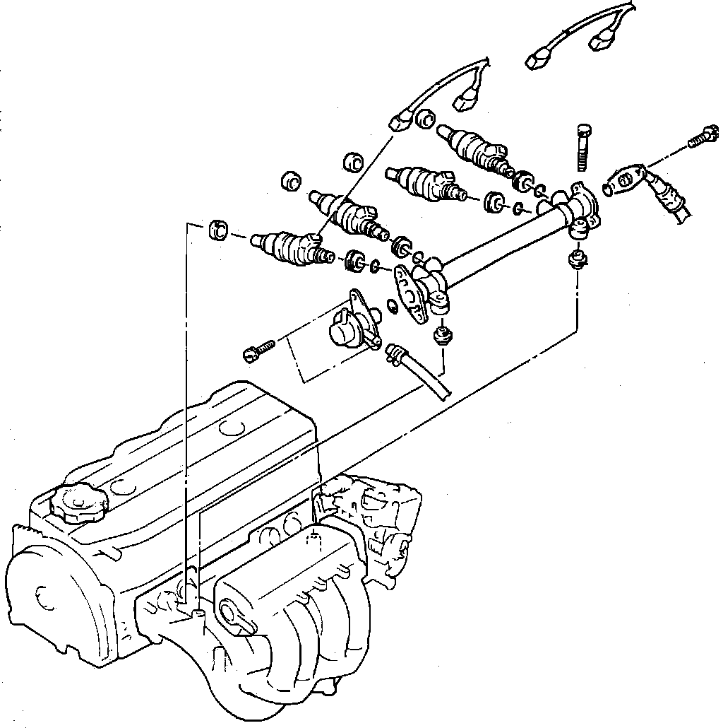
FUEL RAIL

Fuel Rail, Injectors, Pressure Regulator And Components:





The fuel rail is mounted to the intake manifold.

INJECTORS

Fuel Rail And Injector Locations:





The injectors are mounted between the fuel rail and the intake manifold.

OVERFILL LIMITER (TWO-WAY VALVE)

Overfill Limiter Location:





The overfill limiter is mounted in-line, in the vapor line, at the forward end of the fuel tank.

PURGE HOSE VACUUM SOURCE

Purge Control Vacuum Port Location:





The Purge hose vacuum source is located on the throttle body.

ROLLOVER (FUEL CHECK) VALVE
The rollover valve is mounted to the RH side of the firewall.

THROTTLE POSITION SENSOR

Throttle Position Sensor (TPS):





The throttle position sensor is mounted on the throttle body.