lemon-mirror:
Home >> Eagle >> 1989 >> Premier L4-150 2.5L >> Repair and Diagnosis >> Powertrain Management >> Computers and Control Systems >> Data Link Connector >> Locations

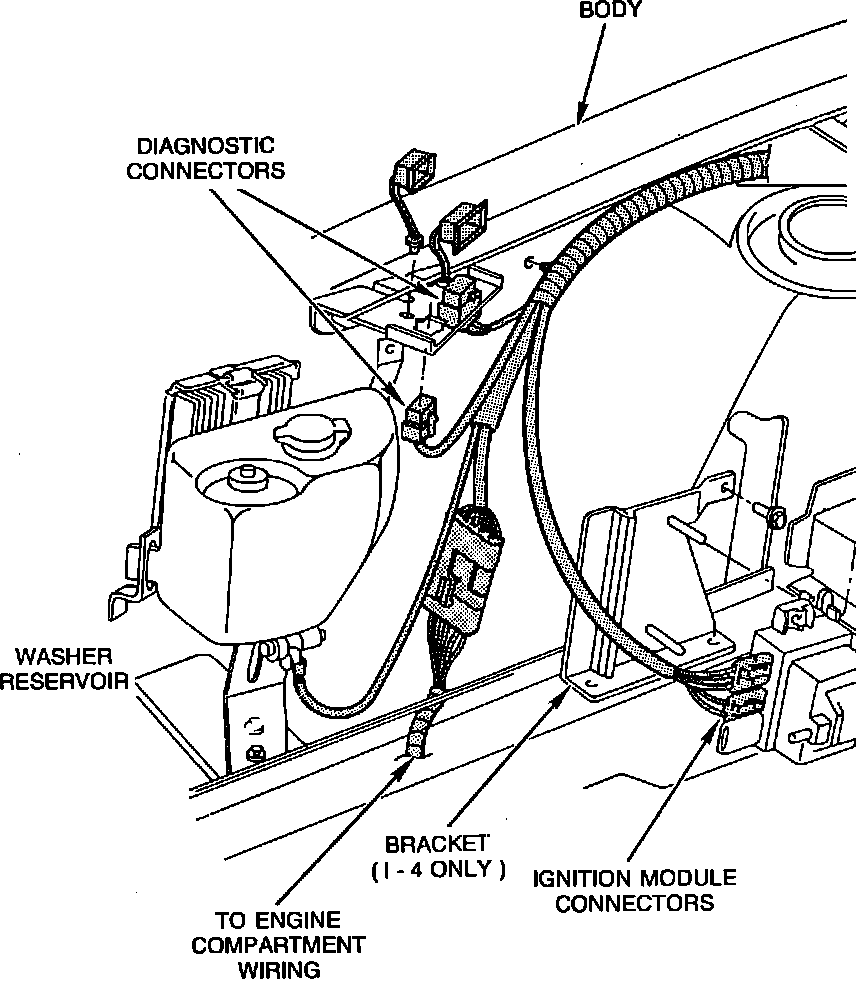
Data Link Connector: Locations

Diagnostic Connector Locations:




The Diagnostic Connectors are found on the right side of the engine compartment, next to the washer reservoir, and are protected by yellow covers.