lemon-mirror:
Home >> Eagle >> 1982 >> Eagle L4-151 2.5L >> Repair and Diagnosis >> Powertrain Management >> Computers and Control Systems >> Engine Control Module >> Description and Operation >> With CEC System

With CEC System

Fig 2 - CEC Wiring System Diagram. 1981 6-258:




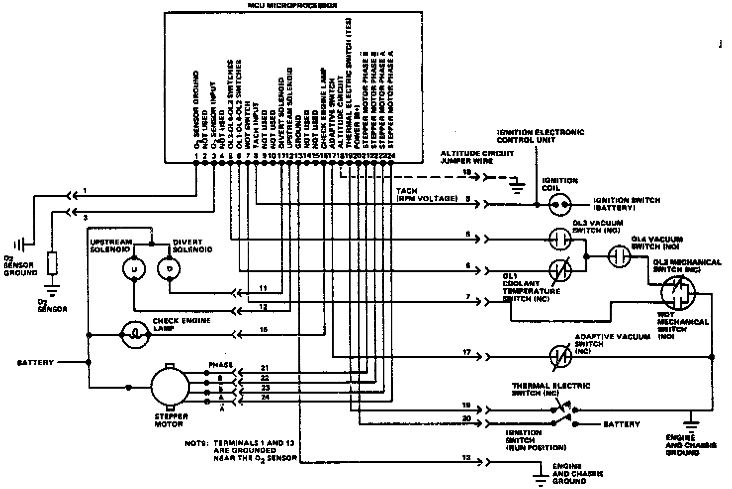
Fig 3 CEC System 1982 4-151:






OPERATION
This unit is a microprocessor that monitors the oxygen sensor voltage and, based upon the mode of operation, generates an output control signal for the carburetor stepper motor.
- If the system is in the closed loop mode of operation, the air/fuel mixture will he varied according to the oxygen content in the exhaust gas and current engine operations.
- If the system is in the open loom mode of operation, the air/fuel ratio will be based on a predetermined value that is determined upon several engine operating parameters.