lemon-mirror:
Home >> Eagle >> 1982 >> Eagle L4-151 2.5L >> Repair and Diagnosis >> Powertrain Management >> Computers and Control Systems >> Diagrams >> Connector Views

Connector Views

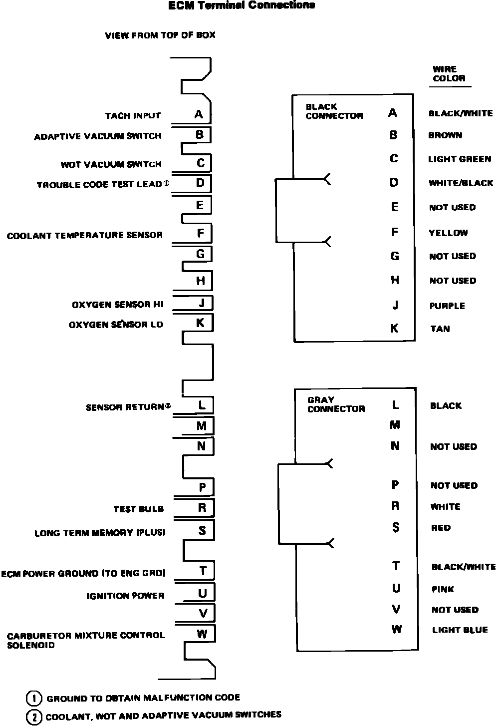
ECM terminal connections:






ECM terminal connections