lemon-mirror:
Home >> Dodge and Ram >> 2008 >> Sprinter 2500 V6-3.5L >> Repair and Diagnosis >> Diagrams >> Electrical Diagrams >> Body Control Systems >> Body Control Module >> 8W-45-21

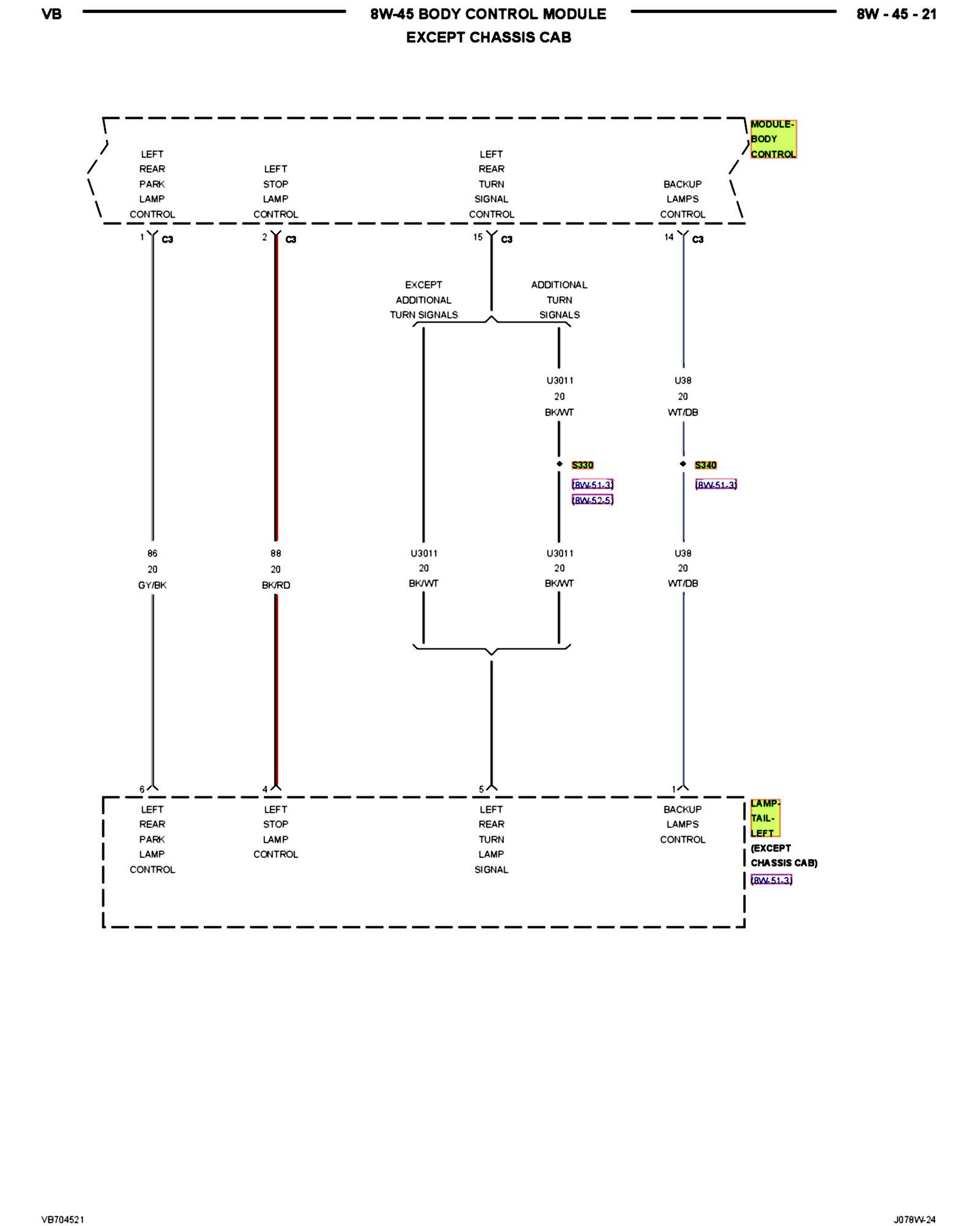
8W-45-21



Wiring Diagrams

PLEASE NOTE: Some diagrams may appear to be missing because of gaps in the number sequences. These "gaps" are actually for diagrams that do not apply to the vehicle model selected.


8W-45-21:






Next Diagram 8W-45-22


Previous Diagram 8W-45-20


Other Diagrams: Other diagrams referred to by number (i.e. 8W-70-2, etc.) within these diagrams can be found at the vehicle level under Diagrams By Number. Diagrams By Number