lemon-mirror:
Home >> Chrysler >> 2012 >> 300 RWD V6-3.6L >> Repair and Diagnosis >> Powertrain Management >> Computers and Control Systems >> Relays and Modules - Computers and Control Systems >> Engine Control Module >> Service and Repair >> Powertrain Control Module - Removal

Powertrain Control Module - Removal






GAS





1. Disconnect and isolate the negative battery cable (1).





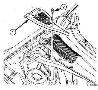
2. Remove the two push pins (2) that secure the front cowl top panel (1) to the right rear corner of the engine compartment
3. Remove the front cowl top panel.





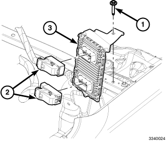
4. Remove the Powertrain Control Module (PCM) retaining bolt (1).
5. Disconnect the PCM electrical connectors (2).
6. Remove the PCM (3) from the vehicle.





7. If required, remove the NVH rubber bumper (3) from the PCM (4).
8. If required, remove the PCM mounting bracket (1) retaining nuts (2) and remove the bracket.