lemon-mirror:
Home >> Chrysler >> 2010 >> Sebring Convertible V6-2.7L >> Repair and Diagnosis >> Powertrain Management >> Computers and Control Systems >> Relays and Modules - Computers and Control Systems >> Engine Control Module >> Service and Repair >> Powertrain Control Module - Removal

Powertrain Control Module - Removal






2.7 3.5L (NGC)






CAUTION: Do not disconnect the Powertrain Control Module (PCM) electrical connectors before the ignition key is in the off position and the battery cable disconnected. If these steps are not preformed damage to the PCM may result from a voltage spike.

NOTE: Note radio programs prior to disconnecting the battery.

1. Disconnect and isolate negative battery cable at battery.
2. Remove the Air Cleaner Housing, Air Cleaner Body - Removal.
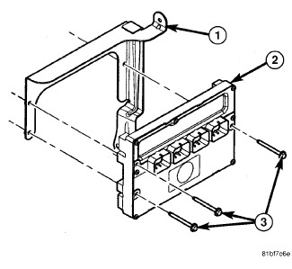
3. Disconnect the electrical connectors (2) from PCM.
4. Remove nut (1) from upper shock tower stud.
5. Remove bolt (3) from lower shock tower fastener.
6. Remove the PCM and bracket (4) from vehicle.





7. Remove bolts (3) and separate the PCM (2) from bracket (1).