lemon-mirror:
Home >> Chrysler >> 2009 >> 300 V6-2.7L >> Repair and Diagnosis >> Heating and Air Conditioning >> Control Module HVAC >> Service and Repair >> Blower Motor Power Module - Installation

Blower Motor Power Module - Installation






INSTALLATION






NOTE: LHD model shown. RHD model similar.

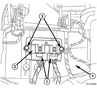
1. Position the blower motor power module (2) into the HVAC housing (4).
2. Install the two screws (3) that secure the blower motor power module to the HVAC housing. Tighten the screws to 2 Nm (17 in. lbs.).
3. Connect the two wire harness connectors (1) to the blower motor power module.
4. Install the glove box into the instrument panel Instrument Panel Glove Box - Installation.
5. Reconnect the negative battery cable.