lemon-mirror:
Home >> Chrysler >> 2009 >> 300 V6-2.7L >> Repair and Diagnosis >> Cruise Control >> Cruise Control Module >> Service and Repair >> Adaptive Cruise Control Module - Installation

Adaptive Cruise Control Module - Installation






INSTALLATION





1. Connect electrical connector.
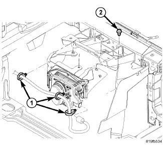
2. Install wiring harness clips (1).





3. Install assembly. Make sure tabs from bracket are in slots in upper headlamp mounting bracket.






CAUTION: The hood release cable must be routed under the bracket assembly. Failure to route the hood release cable properly may pinch the cable and make the hood release inoperable This may cause damage to the release mechanism and/or cable.

4. Position the hood release cable under bracket assembly.






NOTE: Make sure the rear mounting hole bosses are in the headlamp bracket holes before tightening bolts. Hold bracket for sensor up tight to headlamp bracket while tightening bolts.

5. Install mounting bolts and tighten to 9 Nm (79.5 in. lbs.). Install front bolt first then rear bolts.





6. Install air dams.
7. Connect negative battery cable.
8. Perform alignment procedure, Adjustments.