lemon-mirror:
Home >> Chrysler >> 2008 >> Sebring Convertible V6-3.5L >> Repair and Diagnosis >> Powertrain Management >> Computers and Control Systems >> Engine Control Module >> Service and Repair >> Powertrain Control Module - Installation

Powertrain Control Module - Installation







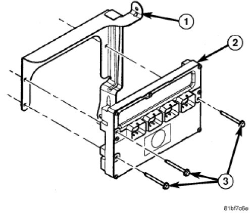
2.7 3.5L (NGC)





1. Install the Powertrain Control Module (PCM) (2) to bracket (1). Tighten bolts (3) to 5 Nm (45 in. lbs.).




2. Install the PCM and bracket (4) to vehicle.
3. Install bolt (3) to lower shock tower fastener and tighten to 9 Nm (80 in. lbs.).
4. Install nut (1) to upper shock tower stud and tighten to 9 Nm (80 in. lbs.).
5. Connect the electrical connectors (2) to PCM.
6. Install Air Cleaner Housing, Air Cleaner Housing - Installation.
7. Connect negative battery cable and tighten to 16.5 Nm (145 in. lbs.).
8. Reprogram radio stations and time.
9. Program the PCM, Refer to the No Response tests .