lemon-mirror:
Home >> Chrysler >> 2008 >> PT Cruiser L4-2.4L >> Repair and Diagnosis >> Powertrain Management >> Computers and Control Systems >> Transmission Position Sensor/Switch >> Service and Repair >> Removal

Removal







REMOVAL





The valve body assembly must be removed to gain access to and replace the transmission range sensor.

1. Disconnect the battery cables.
2. Remove air cleaner assembly (1).




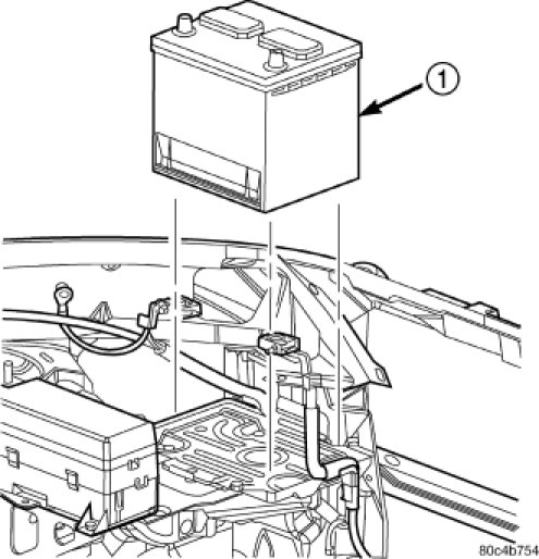
3. Remove the battery hold down clamp and remove the battery (1).




4. Remove the battery tray (1).




5. Disconnect gearshift cable (1)from manual valve lever(2).
6. Remove manual valve lever.
7. Disconnect transmission range sensor connector.
8. Hoist vehicle.




9. Remove oil pan bolts (1).




10. Remove oil pan (1).




11. Remove oil filter (1).




12. Remove the valve body-to-transaxle case bolts (1).




13. Remove park rod rollers (1) from guide bracket (2)and remove valve body from transaxle.




14.
NOTE: To ease removal of the valve body (1), turn the manual valve lever fully clockwise to low or first gear.

CAUTION: The valve body manual shaft pilot may distort and bind the manual valve if the valve body is mishandled or dropped.





15. Remove manual shaft seal (2).




16. Remove TRS retaining screw (3).




17. Slide Transmission Range Sensor (1) up the manual shaft and remove.