lemon-mirror:
Home >> Chrysler >> 2008 >> 300 V6-2.7L >> Repair and Diagnosis >> Power and Ground Distribution >> Power Distribution Module >> Service and Repair >> Removal

Removal







REMOVAL





NOTE: A battery reconnect procedure must be performed anytime the battery has been disconnected. Battery Reconnection.

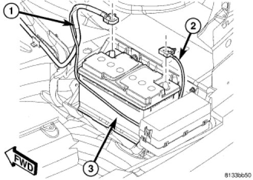
1. Disconnect and isolate the battery negative cable (2).




2. Open the battery cable nut cover to expose nut.
3. Remove battery cable nut and battery cable from the Integrated Power Module (IPM).




4. Disengage the outboard retaining clip, and rotate the IPM to access wire harness connectors.
5. Disconnect wire harness connectors from IPM.
6. Disengage the two inboard retaining clips.




7. Remove IPM from vehicle.